ポートが足りないときは


2002. 1. 30


マイコンを使っていて入力ポートが足りなくなることがあります。そんな場合は、ちょっとした工夫で入力点数を増やすことができます。いくつか例を紹介しましょう

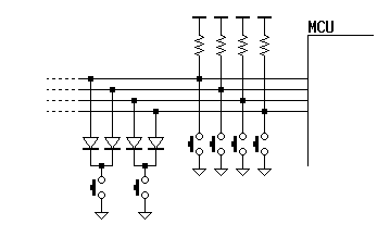
ダイオードを使う

1入力ポートにつき1個の押しボタンスイッチというのが手軽な方法ですが、スイッチの数が増えてくると、たちまちポートが足りなくなってしまいます。このようなときは、ダイオードORを使ってスイッチ入力をコード化することにより入力点数を増やすことができます。たとえば、3ビットの入力ポートなら 7個まで、4ビットなら 15個まで拡張できます。ただし、スイッチの2個押しといった変則操作をするときは拡張可能数が減るので、ビットパターンをよく考える必要があります。

シフトレジスタを使う

ICを追加することになりますが、シフトレジスタを使えば3ビットのポートだけで入力点数を際限なく増やしていくことができます。

A-Dコンバータを使う

A-Dコンバータのあるマイコンなら、それを使って1ポートで複数のスイッチ入力を取れます。チープなポータブルCDプレーヤ等がよく使ってる方法です。この方法も 2個押しといった変則操作は不可です。

戻る | 目次