マイコンの利用が当たり前になって以来、無限の広がりを見せている電子工作。近年、初心者向けのフレームワークが登場してからは、ネット上では数多くの興味深いプロジェクトが公開され、電子工作は知的でクリエイティブなハイテクホビーを代表するジャンルに成長しました。
ところで、古くから電子工作でマイコンを使っている人の多くは、8ビットマイコンから始めていると思います。90年代まではZ80コア、00年代ではPICやAVRなどがマイコン入門の定番でしょうか。10年代に入ると32ビットマイコンが手軽に利用できるようになり、特にARMコアがマイコン入門の定番になったようです。しかし、電子工作の範囲はとても広いので、一つのマイコンファミリだけでカバーできるものではありません。プロジェクトの規模に応じ、8ビットと32ビットの両方を使いこなせる必要があるのです。
8ビットマイコンの入門で苦労した経験のある人は、32ビットと聞いて二の足を踏んでしまう傾向があるようです。しかし、実際は32ビットの方が導入のハードルは低いのです。このジャンクレポートでは、今は8ビットマイコン一筋というものの、32ビットマイコンにも興味がある、でも始めるのがちょっとめんどう、という人を対象にして32ビットの世界へ案内することにします。これからのマイコン入門は32ビットが主流になるでしょうから、近いうちに8ビットへの誘いも書く必要があるかも知れません:-)
マイコンを利用している人の多くは、既に自分自身の定番マイコンを持っていると思います。定番マイコンを持つ意味は、そのマイコンに対する理解を深めノウハウを蓄積することにあります。これは結果的に、プロジェクトを効率よく高い完成度で達成できることに繋がります。逆に、あれもこれもとクルクル変えていたのでは、いつまで経っても成果を上げることはできません。もちろん、マイコンの評価も含む場合とか、マイコンの攻略そのものが目的の場合はこの限りではありませんが:-) また、定番マイコンは2つ持っておくとより良いです。たとえば、一つのマイコンファミリで無理なくカバーできる電子工作プロジェクトは主なもののうちせいぜい80%程度なので、一つのマイコンファミリしか使わないと電子工作の可能性を狭めてしまいます。でも、8ビットと32ビットをそれぞれ1ファミリ、つまり、2種類だけマスタしておけば99%はカバーできます。
さて、実際にどの32ビットマイコンファミリを選んだらよいのかとなると、決定版といったものは存在しません。なぜなら、電子工作では理屈ではなく個人の好みに基づいた選定となるからです。たとえば、ATMEL党員ならAVR32、Microchip教信者ならPIC32、日の丸万歳!!な人ならルネエレのRXあたりが選択肢でしょうか(なんか、どこかの国のイデオロギー対決のような...)。既に使用中の8ビットマイコンと同じメーカを選べば開発環境やマニュアルの癖も共通になることが多いので、すぐに慣れることができるというメリットがあります。でも、大多数のノンポリな人には入手性が良く開発環境および情報の充実しているARMコアのマイコンが最適解ということになります。ARMマイコンでは、NXP LPC1000ファミリとST STM32ファミリが二大勢力となっています。
16ビットマイコンはというと、8ビットの高性能化と32ビットのダウンサイジング化の狭間で、すっかり存在感が無くなってしまいました。実際、産業界でも8ビットシステムを更新する際は、16ビットを飛ばして32ビットに移行することが多いようです。16ビットでも小規模なものは8ビットをほぼ包含するので、16/32ビットという組み合わせも良いと思います。
で、32ビットマイコンはどんな場面で使ったらよいのでしょうか。それは、使いたいと思ったところです:-) そう思うのは、その方が楽にプロジェクトを達成できそうだと感じたからでしょう。ならばそれでOK。むしろ、8ビットで重く感じられるようなプロジェクトには、積極的に使うべきです。趣味の電子工作に理屈を付けても意味のないことですが、具体例を挙げるとすれば次のような場面が考えられます。
もちろん、プログラミングが楽だからと言って何でもかんでも32ビットというのも考え物です。たとえば、単純なシーケンス制御に32ビットはムダ以外の何物でもないし、超低消費電力を求められるプロジェクトでは、8ビットが圧倒的に有利です。プロジェクトの特性に応じ最適なデバイスを選択できるかどうかは、設計センスを問われるところでしょう。
実際に32ビットマイコンを始めてみようというとき、事前に準備するべきものや必要な予備知識について、実際の例を元に解説してみます。対象者は...そうですね、AVRをWinAVR(avr-gcc)のコマンドラインビルドで開発しているような人がARM系マイコン(Cortex-Mxコア)を初体験するの巻、としますか。ええ、それって私のことなんですが:-) というわけで、私がCortex-Mx系マイコンを導入した際に辿った手順、覚えたことや気付いたことなどを書き出してみます。
今回はNXP LPC1114(Cortex-M0コア)を選定してみました。実は32ビットはARM7TDMIメインでやってきてCortexコアにはあまり興味がありませんでした。今回これに手を出した理由は、突如現れたMARYシステム(後述)に興味を引かれたからです。Cortex-M0クラスのマイコンは、内蔵ペリフェラルが8ビットマイコンと同じくらいシンプルで容易に習得することができるので、32ビット入門としても最適といえます。ついでに平行してLPC1769(Cortex-M3コア)も試食していますが、このリポートではLPC1114について書きます。
さて、個人プロジェクトにCortex-M0を取り込み32ビットが8ビットレンジに降りてきたことから、8ビットで標準としているAVRとの棲み分けも変わることになります。私の場合、AVRは32K程度までとし、それを越えるものはARM系とすることにしています。元々、AVRが一番楽しいのは32K以下のレンジだと思っていたところですし(かと言って2Kに燃えるほどの酔狂でも無し)。実際のところ、AVRアーキテクチャが効率的なのは64Kまでで、これを越えると急激に効率が落ちてしまいます。もちろん、プログラムのボリュームよりも要求仕様やその時の気分(笑)によることも大きいので、これに限ったことではありません。もっとも、AVRで64Kのボリュームとなると、電子工作としては比較的大規模な方になると思いますので、人によっては32ビットの出番はないかも知れませんね。
最新の32ビットARMアーキテクチャの一つであるCortex-M0は、ARMコアの中では最もシンプルなバージョンで、回路規模のコンパクトさを武器に8/16ビットマイコンの置き換えとして売り込みを図っています。つまり、32ビットのレンジを下位方向に拡張するものというわけですね。
LPC111xはどの辺りかというと、比較的大規模な8ビットマイコンに相当します。ROM容量は8〜32Kバイトと少し少ないように思えますが、32ビットアーキテクチャのコード効率は右の図に示すようにとても高く、8ビットでトップクラスを誇るAVRのさらに2倍(処理内容にもよる)にもなります。つまり、32KバイトのLPC1114は、64KバイトのAVRに相当するボリュームのプログラムを扱えるのです。
個人プロジェクトでARMを使うときは、ビルドツールはgccで決まりです。Windowsな人ならWindowsネイティブ対応のパッケージを探すことになり、ARM7TDMI全盛の頃はWinARMでしたが、Cortexが普及してからはSourcery CodeBench Lite Edition、さらにはGCC ARM Embeddedが主流になっているようで、今回はこれらを利用することにします。当然ですが、デバイスメーカが異なってもARMコアであるかぎりコンパイラは共通です。これらのツールチェーンは、インストールしたままの状態ではコマンドラインビルドに必要な一部のプログラム(といってもmakeとかrmくらい)を欠いているので、何とかして用意する必要があります。これらは、WinARMやWinAVRにも含まれているので、それから持ってくると良いでしょう。
デバイスへの書き込みに関しては困難はありません。32ビットマイコンの多くはUART経由で内蔵フラッシュに書き込めるので、PIC/AVRなど8ビット入門で最大の問題となるライタを必要としないからです。今回使用するLPC1xxxの場合も同様で、UART/USB/CAN/JTAGなどいくつかの内蔵ペリフェラルを経由した書き込みをサポートします。もちろん、PC側のフラッシュ書き込みツールは必要で、別途用意しておく必要はあります。フリーで出回っているものでは、GUIベースのFlashMagic、コンソールベースのlpc21ispや拙作のlpcsp(avrspのNXP ARM版)があり、書き込み速度はlpcspが最も高速です。
ARM開発環境として最低限必要なものは、以上の2つだけです。これだけあれば、プログラムを作成・ビルドしてターゲットマイコンに書き込むことができます。あとは好みに応じてIDEや各種デバッガを用意すると良いでしょう。
| レジスタ | 用途 |
|---|---|
| R0(a1) | 引数/戻り値(破壊) |
| R1(a2) | 引数/戻り値(破壊) |
| R2(a3) | 引数/戻り値(破壊) |
| R3(a4) | 引数/戻り値(破壊) |
| R4(v1) | 変数/ワーク(保存) |
| R5(v2) | 変数/ワーク(保存) |
| R6(v3) | 変数/ワーク(保存) |
| R7(v4) | 変数/ワーク(保存) |
| R8(v5) | 変数/ワーク(保存) |
| R9(v6/sb) | 変数/ワーク(保存) |
| R10(v7/sl) | 変数/ワーク(保存) |
| R11(v8/fp) | 変数/ワーク(保存) |
| R12(ip) | 変数/ワーク(破壊) |
| R13(sp) | スタックポインタ |
| R14(lr) | リンクレジスタ(破壊) |
| R15(pc) | プログラムカウンタ |
| PSR | プログラムステータスレジスタ |
| PRIMASK | 割り込みマスクレジスタ |
| FAULTMASK | 割り込みマスクレジスタ |
| BASEPRI | 割り込みマスクレジスタ |
| CONTROL | コントロールレジスタ |
アセンブラ関数を書くとき重要なのが命令表と関数呼び出し規約(ABI)です。普通はアセンブラ関数なんて書く機会は無いと思いますが、コンパイラの吐いたコードを読むことは良くあると思うので、知っておいて損はないでしょう。というか、それができないと根の深いバグに遭遇したときお手上げです。
Cortex-Mxは右の表に示すように16本の32ビット汎用レジスタを持ちます。括弧内はアセンブラ等における用途を示す別名で、そのうちR13〜R15はハードウェアレベルで特定の機能を持ちます。PSR以下は特殊機能レジスタで、関数呼び出しとは関係ありません。サブルーチンコールでは、BL/BLX命令などのリンク付きジャンプ命令でサブルーチンに飛びます。このとき戻りアドレスがR14(LR)にセットされるので、サブルーチンから戻るときはその戻りアドレスにジャンプ(BX/MOV/LDM/LDR/POP命令などでPCにロード)です。リンクレジスタ方式はRISCとしてごく一般的ですね。
引数は第一引数から順にR0〜R3にセットします。32ビット以下なら4個、64ビットなら2個格納でき、入りきらない分はスタックに積まれます。戻り値も同様に32ビット以下ならR0に、64ビットならR0〜R1にセットされて関数から戻ります。32bit未満の型は汎整数拡張が適用され32bitで渡されます。(破壊)と記されているレジスタは、その値が関数呼び出し前後で保存されないことを示します。R14(LR)は暗黙的に使われるので当然として、R12(IP)が保存されない理由は、ARM/Thumbステート切り換えやロングジャンプのためリンク時に仕込まれる細工コード(ベニアという)がワークとして使うためです。
スタックポインタは、実際にはMSP(メインスタック)とPSP(プロセススタック)の2本が存在し、どちらかがR13(SP)にマップされます。OSなし環境ではMSPだけ使っていれば十分ですが、RTOS環境ではMSPとPSPを使い分けるとコンテキストスイッチの処理が容易になるメリットがあります。
なお、Cortex-MxコアはThumbステートのみで動作し、ARMステートはサポートされません。Cortex-M0のThumbステートで直接使えるレジスタは、R0〜R7とSP,LR,PCのみですが、ABIはステートに関係なく共通です。
Cortex-Mxの動作モードには、スレッドモード(通常処理中)とハンドラモード(割り込み処理中)の二つがあります。スレッドモードでは特権レベルと使用スタック(MSP/PSP)を任意に設定が可能で、ハンドラモードでは強制的に特権モードとMSPに切り替わります。
特権レベルとしては、プリビレッジドモード(特権モード)とノンプリビレッジドモード(ユーザモード)があります。ユーザモードでは一部の命令とシステムリソースへのアクセスがブロックされるなどの保護機能を持ちますが、LPC11xx〜17xxのようにメモリ保護ユニット(MPU)の無いマイコンでは特権レベルの意味は無いに等しいので、常に特権モードで使用されているようです。そもそも、RTOS程度では保護機能なんて必要ないですからね。なお、Cortex-M0にはユーザモードは無く、常に特権モードで動作します。
Cortex-Mxの割り込みで興味深いのが、割り込み処理(ISR)を通常のC関数として記述できることです。普通は、ISR関数には特別な属性やpragma指定を付けてプロローグ/エピローグにISR専用のコードを生成するようにしますが、Cortex-Mxではその必要がありません。これは、次のような仕組みで実現されています。
特殊な値とは、上位28ビットが全て1の値で、ハンドラモードでこの値がPCにロードされようとすると、CPUはISRからの戻りと判断して元のモードとスタックに移行(下位4ビットで示される)し、スタックに積まれたレジスタを復帰することで割り込み処理から戻ります。スタックに保存されないレジスタもありますが、これらは非破壊レジスタなので、関数内で必要に応じて保存復帰されます。つまり、ABIに合わせた割り込み動作というわけですね。うまく考えられているものです。
Cortex-Mxの割り込みシステムは、ごく一般的なベクタテーブル方式を取ります。ベクタテーブルの各エントリは割り込み要因に対応していて、内容はシステムによりISRへのジャンプ命令(つまりそこが割り込みエントリポイント)の場合とISRのアドレス(その値がPCにロードされる)の場合の2通りがあり、AVR/V850/ARM7TDMIなどでは前者、RX/SH/Cortex-Mxなどは後者になります。Cortex-Mxのベクタテーブルには、先頭から順にMSP(の初期値)、リセットハンドラ、NMIハンドラ、...の順に配置されます。先頭16エントリはコア用に予約されていて、周辺からの割り込みはそれ以降に割り当てられます。ベクタテーブルの位置は0番地(つまりROMの先頭)がリセット後の初期値になりますが、起動後はテーブルの位置を任意に変更することもできます(M0(+を除く)は不可)。
Cortex-Mxの割り込み制御モジュールは、ARM7TDMIでの反省(各ベンダ任意実装で移植が面倒だった)からか、標準ペリフェラルとしてARMコアに統合され、ベンダに依存しない共通のレジスタインターフェースとなり使いやすくなっています。
Cランタイムスタートアップルーチン(CRT)はリセット解除の後、最初に制御が移るルーチンです。8ビットマイコンでは決まった処理で良いのでデフォルトのCRTがリンクされ、CRTを意識することは殆どありませんでした。しかし、32ビットマイコンの場合はメモリシステムが複雑で必要な処理もプロジェクト毎に異なり、固定した処理では対応できず個別にCRTを書く必要がありました。そのためか、32ビットでは現在もプロジェクトソースファイルの一つとして扱われています。組み込みシステムのCRTでは一般的には次に示す処理を行っています。
1.の処理が終わりスタックが使えるようになるまではC関数に入ることができません。このため、CRTはアセンブラで書かれるのが普通です(環境によっては特殊なC関数として記述する場合もある)。内蔵RAMだけしか使用しない場合、この処理はSPに初期値をロードするだけです。2.ではクロック周りや割り込みシステムなどの初期化を行います。3.では初期値を持つ変数にROMから値をコピーし、初期値を持たない変数はゼロクリアします。この処理が終わると静的変数が有効になります。4.そして、最後にmain関数が呼び出されます。実際のところ、1が済めばC関数に入れるので、2,3の処理はmain関数に入ってから行ってもかまいません。
ところで、一部のCPU(Cortex-MxやSHなど)ではベクタテーブルにSPの初期値を置くようになっていて、リセットハンドラに飛ぶのと同時にSPにも初期値がロードされます。つまり、その手のマイコンでは全ての初期化処理をCコードで書けるので、CRTを省略してリセットハンドラにmain関数を指定することもできるのです。それでも、main関数が始まるときに全て準備が整っていた方が都合がよいので、多くのプロジェクトではCRTを設けてシステムの初期化を行っているようです。
CMSIS(ARM Crotex Microcontroller Software Interface Standard)は、Cortex-Mxコアのマイコンにおいてペリフェラルを抽象化し、ベンダに依存しない共通のAPIを提供するHAL(Hardware Abstraction Layer)です。CMSISによりソフトウェアの再利用が容易になり、新人の学習や開発期間の短縮が期待されます。と、ここまでがARM社の能書き。
うーむ、素晴らしいですね!!! もしそれが本当なら、Cortexに限らず全てのマイコンを包含できるプラットフォームになるのですから。でも、世の中そんなにうまい話はありません。まず、CMSISライブラリは提供元で大きく二つに分けられ、ARM社の提供するコアペリフェラル(特殊命令、割り込みコントローラやシステムタイマ)を制御するコアライブラリと、それ基づき各ベンダの提供するマイコン固有ペリフェラルを制御するペリフェラルライブラリから成ります。半分は眉唾と思いながらもNXPからダウンロードして中身を漁ってみました。そして、気付いた点をいくつか取り上げてみます。
以上のような理由から、現時点での各社ペリフェラルライブラリはまだ利用するに値しないモノと言えそうです。もちろん、能書きにある「ベンダに依存しない」というのもCMSISそのものであるコアライブラリだけの話です。というか、それ以前にこのような酷い状態でペリフェラルライブラリをリリースするなんて、組み込みプログラマはずいぶんナメられたものです。何というか、タダなんだからこの程度の品質でいいだろ!、みたいな...。
これはCMSISに限った話ではないですが、ある程度の機能を持ったライブラリである以上は、Doxygenの吐いたゴミなどではなく、ハードウェア同様にきちんとしたユーザマニュアルが必要です。結局のところ、ハードウェアマニュアルをちゃんと読む習慣のある人にとっては、ペリフェラルライブラリは必要の無いものと言えます。それでもレジスタ定義群やそれらの使い方のサンプルとして有用ですし、やっつけプロジェクト程度ならそのまま使えないこともないので、ダウンロードしておいて損はないでしょう。同じコアで変わり映えしない各ベンダのARMマイコン(特に汎用マイコン)ですが、いかに高品質で使いやすいペリフェラルライブラリを提供できるかが他社との差別化のカギとなりそうです。
11年3月にトラ技増刊号としてマイコン基板が発売されました。搭載マイコンは前述のNXP LPC1114です。今回のは従来の付録マイコン基板とは少し違っていて、付録のMB基板のサイズは□34mmととてもコンパクトで、さらに同じものが2枚も付いています。MB基板単体ではLチカしかできませんが、MARY(メリー)システムといって、オプションの拡張基板を搭載することにより機能を拡張することができます。拡張基板は別売りで、OB基板(OLEDディスプレイと加速度センサ)、LB基板(ドットマトリクスLED)、XB基板(ZigBeeとMicroSD)、GB基板(GPSとRTC)、UB基板(アナログI/Oとスイッチ類)、CB基板(蛇の目)などがあります。
MARYシステムの特徴は、アレイ方式といってMB基板を上下左右にタイル状に並べて相互に接続できることです。4方向に隣接する基板との間では電源供給と共に通信が可能になっていて、それぞれが協調動作するシステムを構築できます。一つひとつのユニットは限られた機能でも、それらを複数接続することにより多機能なシステムを構築できるのです。たとえば、XB基板のMicroSDから画像データを読み出し、隣のOB基板に表示といったことも可能になります。面白そうなので、早速トラ技増刊号を購入して試食してみることにしました。
まず手始めにやることと言ったらマイコン界のHello World!、Lチカでしょう。最低限のプログラムを組んで実際に走らせてみることで全てが手中にあることを確認し、安心して次のステップに進むことができるのです。まずはLチカプログラムをダウンロードして解凍してみてください。コマンドラインビルド環境が適切にセットアップされていれば、make一発でプログラムバイナリmary1.hexが作成されるはずです。Lチカは自分でゼロからやらないと意味のないものですが、今回はやったつもりになれるようにmain.c一本に纏めて全体を一瞥して読めるようにしてあります。起動の流れと初期化に最低限必要なことが何かは容易に分かることでしょう。もちろん、新しいプロジェクトのベースにすることもできます。
MB基板にはUSBコネクタ(mini-B)とUSB-シリアル変換チップが載っているので、手持ちのUSBケーブルでPCに接続して書き込むことができます。書き込みが終わるとすぐにプログラムが走り出し、緑色LEDが1秒周期で点滅するはずです。
LPC111xのコアクロック周波数は最大50MHzです。MB基板では振動子が未実装になっていて、常にIRC(内蔵オシレータ)を使用することになり、12/24/36/48MHzの設定が可能です。IRCは12MHz±1%にトリミングされているので、UART程度のタイミングには十分な精度です。
最大の性能のためには48MHzで良さそうですが、必ずしもそうとは限りません。LPC11xxの内蔵フラッシュメモリは意外に遅く、クロックを上げるにつれてウェイトステートを追加する必要があるので、高クロックでは右の図に示すようにCPU性能が頭打ちになるのです。消費電力の点でもアイドル動作での節電率が低い(ATmega328Pの1/4に対しLPC111xでは2/3程度)こともあり、低速クロックの方が有利になります。
また、外部ペリフェラルとの通信で選択できる伝送レートとの関係もあります。例えば、OB基板のOLEDモジュールを使う場合、SPI通信が表示速度のボトルネックになっていますが、48MHz動作ではSPIクロックは12MHz(一つ上の24MHzはOLEDの仕様(20MHz)を越えるので不可)までとなります。ところが、36MHzなら実行速度は15%程低下するものの、SPIクロックに18MHzを設定できるので、1.5倍の速度で表示することができるのです。このように、OB基板を使うときは36MHzが最適と言えます。
処理内容については前述の通りなので、LPC111xにおける具体的な記述例を示してみます。このように、スタートアップモジュールでは初期化コードのほか、ベクタテーブルやデフォルトの割り込みハンドラも一緒に記述されることが多いようです。先に説明したようにCortex-Mxのスタートアップルーチンは特に理由がない限りCコードで記述されます。必要な初期化処理については見ての通りなので特筆する点はありませんが、ベクタテーブルについては便利な記述スタイルがあるので、少し説明しておきます。
ベクタテーブルは必ずROMの先頭に配置されなければならないので、専用のセクションを作ってそこに配置することになります。テーブルの先頭エントリにはMSPの初期値を格納します。Cortex-Mxのスタックはプリデクリメントプッシュなので、初期値はスタック領域の最終バイト+1になります。スタック領域の取り方には二通りの方法があります。メモリ構成の単純な8ビットマイコンでは常に内蔵RAMの最後から使うようにすればOKでしたが、メモリ構成の複雑な32ビットマイコンではスタックを確保する位置をよく考えなければなりません。このため、明示的にスタック領域を確保して適切な場所に配置する必要があるのです。また、その必要がない場合でもこの方がスタックサイズを正確に把握できるので安心です。ほかに重要な点として、現在のARM ABIでは関数の呼び出しにおいて常にSPが8バイト境界にアライメントしている必要があるため、初期値の指定には注意が必要です。
2番目以降のエントリには、各割り込みソースに対応する割り込みハンドラ(ISR)のアドレスを格納します。その割り込みが未使用の場合、ダミーハンドラ(不要割り込みをトラップ)に飛ぶようにしておき、使用するときはその都度エントリを書き換えます。でも、ものぐさなプログラマ達はweakアトリビュートなるモノを考え出しました。通常、モジュール間で二重定義があるとリンクエラーになりますが、weakアトリビュートは、外部に同名のシンボルがあったらそちらを優先せよ、とリンカに指示するのです。これで割り込みハンドラを追加するたびにテーブルをいじる必要はなくなります。でも、このままでは割り込みの数だけデフォルトハンドラの実体が必要になってしまうので、さらにaliasアトリビュートで各シンボルを共通のデフォルトハンドラの別名として宣言しておきます。これで未使用の割り込みは一つのデフォルトハンドラに結びつけられ、外部で同じ名前で定義されるとそちらが有効になります。
組み込みプログラミングでグラフィックデバイスを扱うようになると、フォントや画像などのファイルをそのままバイナリイメージでプログラムに埋め込みたいことが良くあります。バイナリデータの埋め込みには次に示すような手段があり...
※ここにあった解説は、バイナリファイルの埋め込みかたへ移動しました。
アレイ接続を実際にやってみようとしたところ、意外に面倒なことが分かりました。MB間の通信速度が10kbps程度なので、大量のデータのやりとりには向かないのです。MB間通信は簡単なメッセージのやりとりに限った方が効率的なようです。当然ですが、拡張基板1枚につきMBが1枚必要になり、ユニットを増やそうとすると意外にコストがかかります。例えば、デモのOB基板16枚タイリングなど試そうものなら基板代で\75k程になってしまいます。もうナンセンスですよね。一体どういうつもりなんだか...? はっ! もしかしてハメられたのか!?
アレイ接続でゴテゴテたくさんつないでいくと見た目が賑やかになり、いわゆる電子アーティストにはこういったものが受けがよいようです。でも、組み込み屋は基板を縦に重ねていくのが好きなのです。そう、PC/104仕様ですね。そこで、MARY基板でこれと同じようなことをやってみます。仮にMARY/104としておきましょうか。
PC/104では他の汎用バスにあるようなバックプレーンボードを持たず、右の図に示すような足長のソケットヘッダを使って複数の基板をバス接続しています。各基板はスタッドで連結され機械的に堅牢な構造のため、産業用コンピュータ基板として一定のシェアを占めています。MARY/104ではMARYシステムの仕様に合わせてソケットを半田面に実装(PC/104とは逆)します。この方が置いたとき据わりが良いですしね。当然ですが、部品面を全て使うモジュール(OBやLB)はスタックの最上段に来なければなりません。回路的には図に示すように2つのシリアルバス(SPIとI2C)がメインになります。
当然のことながら、多段スタッキングはMARYシステムでは想定外の使い方です。実際には爆発することはないと思いますが、既存のプログラムは修正する必要があるかもしれません。SPIバスに接続できるデバイス数はSS信号の数だけです。困ったことに余った信号が殆どないので、信号の対応表を見ながらその構成で使用されないものを使うしかありません。足りない場合はMB間通信信号を流用するのが良いでしょう。この場合、アレイ接続機能との同時使用には制限が出ます。I2Cバスにはアドレスが衝突しない限り多数のデバイスを接続できますが、各基板にプルアップを付けた場合、基板数に制限が発生します。例えば、4.7kΩでプルアップした場合は、3枚までです。電源は、基本的に各基板で5Vまたはそれを3.3Vに落として使用することになりますが、消費電流が僅かな場合はMB基板から3.3Vの供給を受けることもできます。
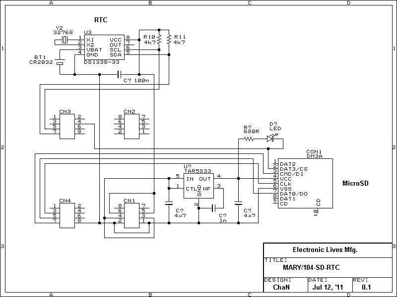
microSDカードとRTCを搭載したスタッキング用基板です。microSDのCS信号はアレイ通信ポートから取っているので、XB基板との同時使用で2ドライブシステムとすることもできますが、その代わりにアレイ接続はできなくなります。RTC(DS1338)はGB基板搭載のものとは異なるので、GB基板のRTCとの同時使用でも衝突することはありません。DS1338にはRTCのほか、56バイトの不揮発RAMもあるので、EEPROMを持たない32ビットマイコンでは重宝すると思います。
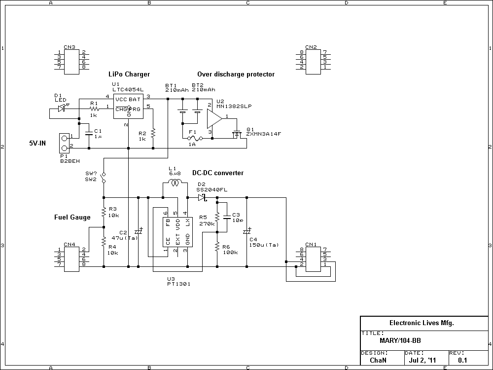
コンパクトなLiPo電池内蔵のスタッキング基板を作ってみました。これは単なる電源ユニットなので、MBに足長ソケットを実装してあれば、既存のシステムと互換性を保ったまま3段スタッキングが可能です。供給可能な電流は最大300mA程度になります。なお、電池電圧をモニタして残量表示できるようにするため、どの基板にも割り当てられていないPIO1.10(AD6)を使用しています。
MARY-OBには、128x128ドットのカラーOLEDモジュールとMEMS加速度センサが搭載されています。MARYシステム以外のマイコン基板にも僅かなピン数で簡単に接続できるので重宝するでしょう。MARYシステムの各種の拡張モジュールの中では、最もツブシが利くと言えそうです。逆にこれがあれば、LB基板は無くて良いようなものです。面白そうなので、OB基板を使ったデモプログラムを作ってみました。基板の傾きを検知して液体の中を玉が転がるというごく単純なものですが、簡単な物理現象のシミュレータになっています。モデル化は甘いので厳密なものではありませんが、一応それらしい動きはしているようです。一部のパラメータ(玉の密度(液体は1)、抗力係数、反発係数)はダイナミックに変更が可能です。
OB基板ではOLEDモジュールを3線式シリアルで接続する仕様になっています。3線式シリアルでは9ビット/ワードになるため、他のシステムでSPIポートにその設定が無い場合は使えず、Bit-Bang転送となります。パラレル接続または4線式シリアルに必要な信号は空きランドとなっていて接続されていないので、それらの仕様で制御したいときは、OLEDパネルを外してコネクタを付け替える必要があります。しかし、OLEDパネルが両面テープでしっかり固定されているので、無理に剥がそうとするとOLEDパネルが割れる可能性があり、そのままの状態で使用するしかありません。
ところで、OB基板はそのまま使い続けるとOLEDパネルを焼損する可能性があります。危険なのは電源OFFの瞬間で、OLEDドライバには低電圧保護機能がないのでVddが先に落ちると、ある一つのラインが点灯しっぱなしになるのです。これは電源OFFのときピカッと輝くのでよく分かります。まぁ、ちょっと使う程度ならただちに問題は無いと思いますが、他のシステムに使い回すことも多いでしょうし、心配な場合は次のような処置をしておくと良いでしょう。
必要なことは電源投入時および電圧低下の際、確実に昇圧回路をOFFにし、かつOLEDドライバはリセット状態に保つことです。LPC111xのGPIOポートはリセット時プルアップ(つまりHレベル出力)なので、現状では両方ともダメです。このため、これに打ち勝ってLレベルを保てる程度のプルダウンを昇圧回路とリセット信号に追加します。さらに、システム初期化の際は次のコードに示すようにマイコンのBOD機能を有効にします。これで電源OFF時の不正動作を防ぐことができます。
BODCTRL = 0x13; /* BODの有効化 (2.7Vでリセット) */
MARY/104システムで多段スタッキングしてみました。いわゆる五重塔です。え、何か変ですって? すかさず突っ込んでくる辺り、よく見ていますね(笑)
MARY/104システムに以前作成したFDのようなモノ(FatFsサンプルのLPC2388版)を移植してみました。LPC1114のROMはたったの32Kバイトですが、Cortex-Mxの高いコード効率によりほぼそのままの機能で移植することができました。日本語フォントなどの巨大テーブルを入れるほどの余裕は無いので、さすがに漢字表示は無理ですけどね。このプロジェクトではSDカードとOLEDを同時に使用する必要があるため、MARY-MB、MARY/104-SR、MARY-OBの三段スタックとしています。
※ここにあったNXPのDIPマイコンに関するリポートは、NXPの小ピンARMの試食へ移動しました。
