ハムフェアのジャンク市にはいろいろな掘り出し物があります。見ているだけでも楽しいので、ハムでもないのにそれを目当てに毎年のように行っています。無線クラブの成果発表では、最近は長距離ミリ波通信が流行りのようで、「凄いなぁ...」と驚きやインスピレーションが結構あります(いつかは私も(^_^;)。一応、仕事では無線機のF/Wもやっていますが(技適めんどい...)。
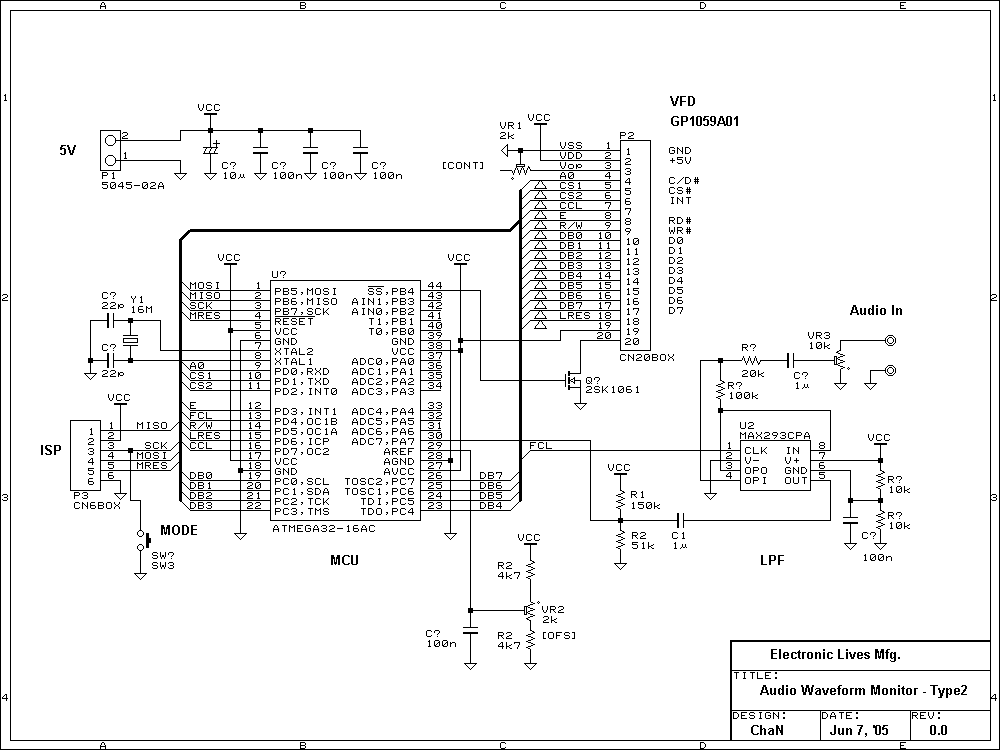
2002年のジャンク市ではグラフィックVFD(蛍光表示管)モジュールが出ていたので購入。確か、単体で\800位だったかと。その後、コントローラとセットにしたのも出されているようです。このVFDは双葉電子工業製のGP1059A01という240×36ドットのグラフィックタイプのもので、レジスタ等でよく使われています。このVFDモジュールは汎用品として販売されているもので、データシートはFUTABAのWebサイトからダウンロードできます。FUTABAはノリタケ伊勢電子にならぶVFDのトップメーカーで、ラジコンやロボコンな人にもまたよく知られていると思います。
GP1059A01には64Kbitの表示メモリがあり、1024(H)×64(V)ドットの構成になっています。このうち240×36ドットのエリアがVFDに表示されます。表示開始アドレスは任意に設定することができ、スクロール表示が可能です。
| 命令 | CS | RD | WR | C/D | D7..D0 | 機能 |
|---|---|---|---|---|---|---|
| H | X | X | X | Hi-Z | バスアイドル | |
| R/Wアドレス 更新方法設定 | L | H | L | H | 00000000 | 自動インクリメント |
| L | H | L | H | 00000001 | ホールド | |
| RAM書き込み | L | H | L | H | 00000010 | コマンドは1回でよい ※1 |
| L | H | L | L | データ | ||
| RAM読み出し | L | H | L | H | 00000011 | コマンドは1回でよい ※1 |
| L | L | H | L | データ | ||
| R/Wアドレス設定 | L | H | L | H | 00000100 | 下位アドレス |
| L | H | L | L | アドレス | ||
| L | H | L | H | 00000101 | 上位アドレス | |
| L | H | L | L | アドレス | ||
| 輝度設定 | L | H | L | H | 00000110 | 下位4bit有効(0..15) デフォルトは最小(0) |
| L | H | L | L | 輝度 | ||
| 表示開始 アドレス設定 | L | H | L | H | 00000111 | 下位アドレス |
| L | H | L | L | アドレス | ||
| L | H | L | H | 00001000 | 上位アドレス | |
| L | H | L | L | アドレス | ||
| 書き込み演算 モード設定 | L | H | L | H | 00001001 | 上書き(デフォルト) |
| L | H | L | H | 00001011 | AND | |
| L | H | L | H | 00001100 | OR | |
| L | H | L | H | 00001101 | XOR | |
| 電源制御 | L | H | L | H | 00001110 | 電源ON(デフォルト) |
| L | H | L | H | 00001111 | 電源OFF |
インターフェースは次のようにインテル形式となっていて、マイコンのバスやI/Oポートに直結できます。
| 端子番号 | 信号名 | 解説 |
|---|---|---|
| 1~8 | D0~D7 | コマンド・データバス |
| 9 | GND | |
| 10 | INT | フレーム同期出力(100Hz) |
| 11 | WR# | L:ライト動作 |
| 12 | RD# | L:リード動作 |
| 13 | CS# | H:ディセーブル, L:イネーブル |
| 14 | C/D# | H:コマンド, L:データ |
| 15~17 | +5V | ロジック・ヒーター電源 (5W) |
| 18~19 | GND | |
| 20 | +70V | アノード・グリッド電源 (1W) |
どんなマイコンを使っても結果は同じですが、今回はいつものAVRを使って制御してみました。ただ、新しく基板を起こすのはめんどいので、オーディオスペクトラムモニタに使った基板を流用することにしました。元の基板に乗っていたATmega8は外して代わりにATmega32を載せます。これは、VFDモジュールのサイズに合わせて256点FFTに対応するためです(SRAMが2KB必要)。VFDモジュール側にはDC-DCコンバータ基板を載せて+70Vのアノード電圧を生成、同時にVFDモジュールのFPCソケットをフラットケーブルコネクタに変換して使い勝手を良くしています。
