秋月で売られている小型モノクロLCDで、「これは」と思うものがあったので試食してみました。モノはAQM1248Aという128x48ドットの反射型LCDモジュールで、400円となっていました。「これは」と思った当初の利用目的はこの製作でしたが、そちらはドット数の勝る他のLCDに譲ることになったため、役を取られてしまったAQM1248Aのために新たにプロジェクトをでっち上げてみました。
AQM1248Aは、反射型のFSTNパネルで素直な白黒表示となっています。半透過型に比べて高コントラストな表示である反面、暗所では使えません。LCDCチップにCOGのST7565Rを使用しています。ホストI/Fはシリアルですが、その割りにピン数が多くなっています。これは、ある程度の追加部品(9個のキャパシタ)を必要としているためで、これが扱いを少々面倒なものにしています。このLCDモジュールは写真に示すような単体のほか、周辺部品を含めた基板とのセットでも販売されているので、ものぐさな人はそれを利用すると良いでしょう。また、特筆すべき点は、その消費電力の少なさです。消費電流はアクティブ モードにおいて僅か95μA @ 3.0Vで、CR2032なら最大2000時間程度の電池寿命となります。このため、コイン電池駆動のガジェットで文字表示を行いたいときなどに、うってつけの表示デバイスといえます。
このLCDモジュールの解像度は128x48ドットです。この手のグラフィックLCDは単なる文字表示として使った場合、8×16フォントでは16桁×3行、6×8フォントなら21桁×6行の表示となります。これは大型キャラクタLCDよりも多い情報量です。安価で制御もCLDC同様に簡単なので、積極的に使っていきたいものです。
赤外線リモコンのデータを解析して表示するという、ただそれだけのもの。LCD試食のため無理やりでっち上げただけあってか、何を考えて設計したのか分からないモノが出来上がってしまいました。何かどこかのマイコンか何かの評価ボードみたいな...。やはりプロジェクトは思いつきではなく、ちゃんと練らないとダメですね。
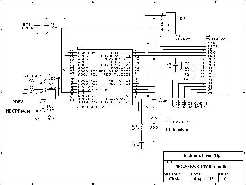
さて、回路図を見ると分かるように、マイコンにLCDとIRレシーバをつないだだけというシンプルな構成となっています。LCDの足のピッチは1.27mmなので、ストライプ基板またはハーフピッチのプロト基板を使うとマウントが簡単です。このプロジェクトではストライプ基板を使っています。IRレシーバはSHARP製のローパワー型(300μA)を使ったので、トータルの消費電流は1.2mA程度に収まっています。基板はタカチのSW-53という薄型のケースに組み込みました。SW-53はサイズ感がこの手のガジェットに最適なので、よく使っています。
▼ボタン(NEXT)が電源を兼ねていて、OFF状態(スリープ)から復帰します。対応フォーマットは、NEC/AEHA/SONYの3タイプです。フレームを受信すると赤LEDがフラッシュして、フレームの内容がLCDに表示されます。リピート信号の場合は表示はせず、緑LEDをフラッシュします。受信したフレームは8個までバッファにストアされ、▲ボタン(PREV)で遡って表示することができます。AEHAはフレームサイズが可変長なので、フレーム長が18バイトを越えたときは、画面に収まるように小さいフォントに切り換えて表示します。電源OFFは、▼ボタン(NEXT)の長押し、タイムアウト(約3分)、または電池切れ(2.5V以下)です。
