ELM Home Page

2003. 3. 26

デジタル容量計


Cメータ

静電容量を手軽に測れるCメータの製作です。静電容量の測定方法にはいろいろあって、昔はインピーダンスブリッジやディップメータがよく使われていました。現在のCメータは被測定素子に交流電圧を加えて、流れる電流のベクトルから静電容量以外の特性も同時に測れるものが主流です。ごく単純なものでは、RC直列回路の過渡現象を利用した積分法もあり、組み立てキットになったりしています。

今回は、この積分法でやってみました。積分法では基本的に時間の測定となるので、結果が直接デジタルデータで得られるし、高度なアナログ回路も必要ないというメリットがあります。マイコンを使えば校正も自動化できるなど再現性も高く、自作のCメータには最適な方式といえます。

過渡現象

過渡現象

回路の状態が急に変化したあと、安定状態に落ち着くまでに起こる現象を過渡現象といい、パルス回路の基本的な動作の一つです。図1aに示すRC直列回路のスイッチが開かれると、Rを通してCが充電され、その端子電圧VCが図1bのように変化していきます。スイッチの代わりにEをステップ状に変化させても同じです。経過時間tと端子電圧VCの関係は、

---------- (1)

で表されます。それぞれの単位は、時間tが秒、抵抗RがΩ、静電容量CがF、電圧EがVで、εはネイピア数(約2.72)です。また、Cの端子電圧がある値VC1に達するときの時間t1は、

----- (2)

となり、t1はCの比例関係にあることが分かります。従って、Cを被測定キャパシタとして充電時間を測れば、他のパラメータからCの静電容量を直接求めることができます。

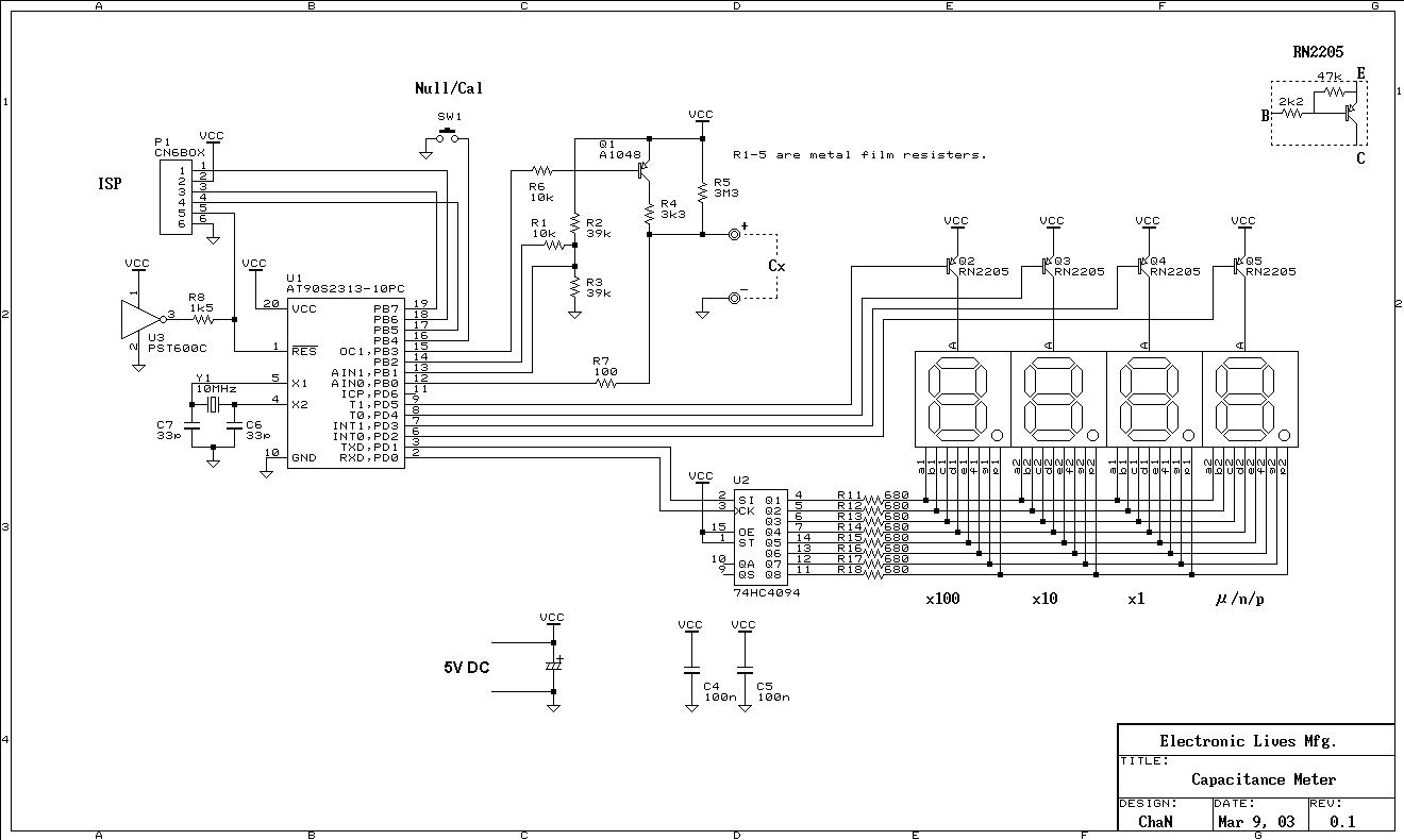
ハードウェア

充電時間を計測するには、電圧コンパレータやカウンタと少々のシーケンスロジックがあればOKですが、より手軽に実現するためコンパレータ内蔵のマイコン(AT90S2313)を使ってみました。実は、AVRの内蔵コンパレータなんて使い途ねー、などと思っていたのですが、調べてみたらコンパレータ出力を16ビットTC1のキャプチャトリガとしても使えることを発見(目がキラリーん(笑))。なるほど、こういう使い方のために用意されていたのね。ってことで、見事にツボにヒットしたのであります。これにより積分時間を100ns単位で測れます。

回路図に示すように、積分回路はきわめて簡単なものにすることができました。スレッシホールド電圧はVccを分圧抵抗で割って得ています。電源安定度に欠けるように思われますが、実は電源の影響を受けないのです。式(2)に代入してみればVC1/E の項目が分圧抵抗の比だけで決定され、式から電圧が消えるのが分かるでしょう。これは偉大なタイマIC NE555の真髄でもありますね。当然ですが、積分動作中は電源電圧がある値に安定していないとダメです。

原理的にはスレッシホールド電圧VC1を一つ決めて時間を測ってやれば良いのですが、次の理由から0V付近は何かと使いにくいものです。

このため、スレッシホールド電圧を2段階設けて0V付近を使わないようにしました。VC1 =0.17Vcc、VC2 =0.5Vccとして、これらのスレッシホールドを通過する時間差t2-t1 (=0.5RC)を有効な時間として使っています。これでスタートディレイやコンパレータのディレイとオフセットがキャンセルできます。漏れ電流については、同じ理由から基板を洗浄しておくなど表面漏れを減らす配慮も必要です。

電源は電池1本で済ませるため、ステップアップレギュレータを使っています。計測回路の電源としては最悪(^^;ですが、フィルタを2段に入れているので精度には影響が出ていないようです。単三1本なんてケチなこと考えずに、6LR61電池と3端子レギュレータを使う方が回路的に簡単で良いでしょう。BODなしAVRでEEPROMを使うときは、外付けBOD回路を省略することはできません。

校正

最初に電源をONすると、全点灯"E4"のあと、10数pFが表示されるでしょう。この値は浮遊容量を示しています。浮遊容量は SW1でキャンセル(ゼロ点補正)できます。校正には1nF100nFの標準Cが必要になりますが、無い場合は誤差±1%以下のフィルムコンで代用できます。この容量計にはアナログ的な調整箇所は一切無く、次のように標準Cを測ってデジタル的にゲイン補正係数を設定します。

Lowレンジの校正

まず、ゼロ点補正する。その後、P1の1-3をショートして、1nFの標準Cを接続、SW1を押すと校正完了。

Highレンジの校正

P1の3-4をショートして、100nFの標準Cを接続、SW1を押すと校正完了。


電源ON時の"E4"はEEPROMの補正係数が壊れていることを示しています。校正を一度行えば次からはこのエラーは出ません。ゼロ点補正は記憶しないので、電源ON時や接続治具を使ったときなどに随時必要になります。

使い方

いろいろ測ってみる
100μF
電解
470nF
積層フィルム
16nF±1%
マイカ
330pF±5%
スチロール
100pF±5%
円板セラミック
1pF
円板セラミック
5pF
マイカ
足が長いまま
5pF
マイカ
短く切ってみる
1S1588
逆バイアス

電源を入れたら、まずゼロ点補正をします。測定動作は500msおきに繰り返し行われるので、被測定キャパシタを接続するだけで結果が表示されます。

測定動作はまず、Lowレンジ(3.3MΩ)で充電を開始します。約130ms以内に0.5Vccに達しない(約57nF以上)場合は、一旦放電して Highレンジ(3.3kΩ)で再度開始します。約1秒以内に0.5Vccに達しない(約440μF以上)ときはエラー"E2"です。このように測定レンジは2レンジ自動切り替えです。有効な時間がとれたら、静電容量を算出して結果を表示します。10pF以上は上3桁が表示され、常に3桁の有効桁数となります。つまり、表示レンジは00.0p〜000μの8レンジ自動切り替えということになり、煩雑なレンジ切り替えの操作は不要です。

被測定キャパシタは 2.5Vまで充電されるので、それ以上の耐圧は必要です。ほとんどは問題ないでしょうけど。また、100pF未満では最小桁が0.1pFになり、リードの長さの違いなどちょっとした浮遊容量でも目立つ誤差になるので注意が必要です。

接続端子は、被測定キャパシタを簡単に接続できて、なおかつ浮遊容量が安定するよう工夫してみましょう。私はバーンイン用ICソケットを半分に切ったものを使ってみました。これなら大抵は足を広げたりせずにワンタッチでセットできるし、写真のようにソケット端部の隔壁がない(IC挿抜時の足曲がり防止?)ので、混ざったチップコン(1608〜3216)も測れて重宝します。この辺の造りは測定精度に影響してくるので、できるなら基板外に引き出すことは避けるべきです。基本的にホット側に付く浮遊容量を減らす(または安定させる)のが精密測定のコツです。VCやTCには極性がありますので、セオリー通りステータをホット側(+)に接続しましょう。ケースは金属製を使うか、トップの写真に示すように下面だけでもシールドしておくと良いです。

高誘電率系セラミックコンデンサ(FやX7R特性のもの)は、温度や電圧によって容量が極端に変化します。被測定キャパシタにDCバイアスをかけて測る場合は、左の図のようにすればOKです。

資料

Sign