Dip meter is a kind of the measurement equipments that had been usually used for ham radio. The dip meter is mainly used to measure resonant frequency of the LC network in circuit. Its advantage is that can measure the target circuit without any direct probing and there are many extended applications in addition. Therefore it had been well used to build, repair and adjust the radio, television and any other RF equipments. However recently it tends to be obsoleted in the professional fields because it was replaced by modern equipments, such as spectrum analyzer and vector network analyzer. In the amateur fields, it is also obsoleted due to the decline of the ham radio itself; still it is useful to build the radio sets.
The typical dip meter had used an vaccum tube and an air variable capacitor but they are very hard to obtain, so I re-designed it in modern circuit technology with fully solid state parts.

Typical dip meters are shaped like shown in Figure 1 and it has not been changed from the vaccum tube ages. The oscillator circuit is built in the upper part of the body and plug-in coils are attached on the top of the body. The scale disc is attached to the variable capacitor and calibrated for each coil, therefor each plug-in coil oscillates the indicated frequency. The frequency is adjusted with a vernier dial. If it has no vernier mechanism, the scaled disk is rotated with a finger directly. The meter is set close to the scaled disk. Its precision is not required so that most dip meters use a cheap tuning indicator. The volume is used to adjust the oscillation level.

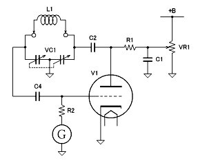
Figure 2 shows the basic schematic of the grid dip meter. This is the typical colpitts oscillator. Its resonant circuit consists of a inductor and a two section variable capacitor. It oscillates at the resonant freqency defined by fo = 1/(2π√(LC)), L is the inductance of L1, C is the series capacitance of the VC1. The oscillation frequency is of very wide range by dividing it into some frequency bands with plug-in coils. To adjust the oscillation level, the B voltage is divided down by the VR1 and supplyed to the vaccum tube via a load resister R1.
The reason why hartley oscillator is rarely used for the dip meter is that it requiers tapped plug-in coils. The colpitts oscillator requiers a two section variable capacitor but it can use simple non-tapped plug-in coils.

Figure 3 shows the waveforms of the plate voltage and grid voltage under oscillation. Black traces indicates high level oscillation and gray traces indicates low level oscillation. The grid is driven by the fed back signal from the resonator via C4. The positive peak voltage is clamped to the ground level by rectification of grid-cathode and a negative offset voltage appeares on the grid. The grid is pulled to the ground via a resister R1 and a galvanometer G. Therfore a DC current from the ground to the grid via the galvanometer is generated. The offset voltage is proportional to the oscillation level and deflectoin of the galvanometer as well.


When measure a resonant circuit that has an unknown resonant frequency fx = 1/(2π√(LxCx)), put the plug-in coil close to the measured circuit to create a inductive coupling as shown in Figure 4. The two coils that magnetic coupled each other is just a transformer, so that it can be modelized as an equivalent circuit shwon in Figure 5. Rs in the secondary part is the resistance conponent of the Lx. M is the mutual inductance but it is relatively very small because it is usually measured at loose coupling as possible to eliminate the unaccuracy (frequency shift) due to the reciprocal effect each other.
When fo is different from fx, the secondary part shows a high impedance of inductive or capacitive and oscillation level is not affected by the measured circuit. When fo is tuned to the fx, the secondary part gets low impedance that only Rx and a part of the oscillation power is cousumed by the measured circuit. This can be seen view point from the dip meter as decreasing of Q (increasing of power loss in the oscillation loop), and the oscillation level gets lower. The variation of the oscillation level is detected as the dip of deflenction level of the galvanometer and fx can be detected by this behavior.
Because the dip meter is an old technology that already obsoleted and the main components gets hard to be obtained, there is a difficulty in building the dip meter. Especially now the market of vaccum tubes and two section air variables is closed so that the dip meter cannot be built in the same way. Those components have been replaced with transister and varactor diode. The dip meter will able to be built with those solid state devices.
Ok, there are many RF oscillator circuits on the text book that designed for the transister. The diposcillator will easy to build... But it is not true. In conclusion the generic RF oscillator does not have suitable characteristics for the diposcillator [2]. Most transister oscillators work at saturation level because gain of the amlifier is set to a sufficient level for a steady oscillation but it is too large for diposcillator. The oscillation level is controlled by sticking it to the saturation level, so that the effect of oscillation level by variation of the power loss in the resonant circuit is slight. Therefor the generic RF oscillator circuits cannot be used for the diposcillator due to its low sensitivity.
To make it oscillate at linear region, an ACG (automatic gain control) feature is required to control the oscillation level. Actually the vaccum tube diposcillator that shown in Figure 2 works as an AGC amplifier. The generated DC offset at the grid that proportional to the oscillation level is just a grid bias voltage. This is the key feature of the diposcillator. The control loop is a kind of reverse AGC and it acts as follos: When oscillation level increased, grid bias gets high, gain (Yfs) of the vaccum tube gets low and then the oscillation level is decreased. As the result, the oscillation level is limited to a small level compared to the supply voltate. In other words, the defrection of the galvanometer indicates the AGC level. The gain also corresponds to the plate voltage so that it is adjusted to set the defrection to the suitable level.

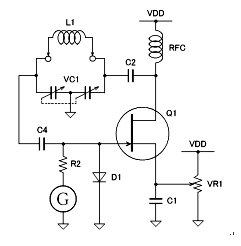
Figure 6 shows the diposcillator replaced the vaccum tube with a transister. This is the typical diposcillator circuit used in the transister dip meters. There are two difference, the manual gain control and load resistor, between the Figure 2 and 6. The one is because of the gain is not affected by supply voltage, it must be controlled by changing the gate bias instead of supply voltage. The other is using low supply voltage effectively by replacing the load resistor with an inductor (RFC), this can expand twice the dynamic range compared to the resistor. But using RFC can cause large variation of oscillation level or self dip by tuning operation so that the a register is better than RFC if it is not needed. D1 is an RF schottky diode to rectify the fed back signal like grid-cathode of the vaccum tube.

The variable capacitor that shown in Photo 3 is still used for cheap radio and high power RF applications. But it is not suitable to reduce the size because it requiers a large scaled disk to read the frequency accurately. I determined to replace it with a solid state component. For such use, there is varactor diode that its capacitance can be controlled by reverse bias voltage. Features of the varactor diode compared to variable capacitor are as follows:
The scaled disk will be eliminated with the variable capacitor so that any other way to read the oscillation frequency is required. This is usually done by a built-in frequency counter and display the frequency into an LED or LCD display instead of the scaled disk. This method can achieve many advanced features compared to the traditional scaled disk as follows:
The calibration process that reading freqency counter and writing it to the scaled disk is a troublesome work. The built-in frequency counter does not requier such work, and also rigidity is not required to the plug-in coils so far as it oscillates. Especially the last term is a significnt feature that it can use a quick built plug-in coil that optimized for the circuit to be measured. Therefore the most modern dip meter sold now have a built-in freqency counter even if it has a variable capacitor. I chose a 16x1 character LCD display for the built-in frequency counter.

Typical dip meters have a small galvanometer for the dip indication. Because this is a large component for the handy equipments, I thought that if it can be replaced with something else. There is a left space in the LCD display other than the freqency, it may be used to display the oscillation level. However the numeric display is not good for such use because the numerical value is meaningless for the dip meter. The _variety_ of the deflection is the most impotant information, so that any graphical display is required for the dip indication.
The most significant feature of the dip meter designed in this project is that the oscillator is divided out to the some plug-in modules like plug-in coils. Typical dip meter have an only oscillator circuit (amplifier and variable capacitor) in it and freqency band is selected by plug-in coils. In this case, there is an unsuitability of the circuit parameters around upper and lower frequency limit so that the frequency ratio is limited to several hundreds maximum. This problem can be solved by placing the oscillator circuit with plug-in coils and each plug-in module will able to work at ideal condition. This architecture had been adopted by old dip meters such as DELICA SP-3 and Measurements model 59.
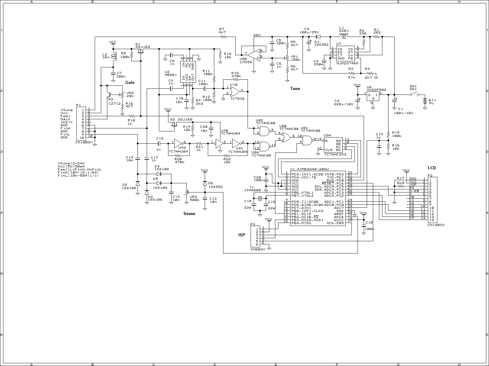
Right image shows inside of the built dip meter and its schematic. I determined its shape by actual use against conventional dip meter. In old days, it is used with the plug-in coil that put into the radio set. However recent projects are built on the PCB and its size is reduced and it is measured on the desk in most case so that the plug-in socket is placed in this end.
There are a freqency counter, a level detector, level control circuit, tuning voltage generator and a power supply in the body.
There are three supply voltages, 5V for power supply, 1 to 25V for frequency tuning and 0 to 4V for gain control, for the plug-in module. The tuning voltage is generated by a DC-DC converter, divided by a ten turns potentiometer and supplyed to the module. The level control is done by shiftnig the gate bias voltage with gain control voltage.
The front end of the frequency counter is divided into two ranges. Low range (100kHz to 30MHz) inputs the incoming signal to the counter circuit via an amplifier and high range (10MHz to 1GHz) divides the frequency by 64 with a prescaler IC. Only one of the pathes is selected by state of the Fsel signal on the plugged module and other is put shutdown state to reduce power consumption. Each input is also rectified and input to the ADC. The microcontroller captures incoming information, process and display it to the LCD.
Right image show the built plug-in oscillators and each schematic. There are three schematics for MF/HF band, VHF band and UHF band.
I was going to build the plug-in modules with built-in coil but a number of modules are required to cover the working freqency range. To solve this problem, oscillator coils are separated out from the oscillator module. Ofcource it is required to use the special coils.
MF/HF band oscillator can insert capacitors parallel to the varactor diode to expand the covered range for lower. In UHF band, it is difficult to replace the coils so that the UHF band must be covered with some plug-in oscillators.
The plug-in oscillators are attached to the socket with a 5x2 pin connector. One of the pin is used for anti-reverse key.
Plug-in coils that shown in Photo 7 are attached to the oscillator module with a 4x1 pin connector. The pin connector is glued to a 10mm dia plastic pipe and wind a magnet wire to the plastic pipe.
The winding resistance and distributed capacitance increase in proportion as its windings increases and it resuluts wrong effect that it gets away from calcurated performance. The distributed capacitance is a capacitance between the windings. It acts as a capacitor attached parallel and it reduces frequency ratio of the plug-in coil. To reduce the distributed capacitance, honeycomb winding or segmented winding is needed. The winding resistance decreases Q factor and it also increases due to skin effect. To reduce the skin effect, litz wire is usually used. Coil A uses the litz wire and wound it in segmented winding.
The microcontroller performs as simple frequency counter and level indicator but there is no user input.
The oscillation frequency is measured by an AVR and displayed to the LCD. The allowable input frequency of the timer/counter unit of the AVR is fclk / 2.5 (20 / 2.5 = 8 MHz) maximum. To measure above this limit, an external prescaler circuit is needed. However input frequency range of the primary prescaler (MB501) is 10 MHz minimum (actuary it works at 1 MHz) and the freqency range between 8 to 10 MHz is out of working range. I added a secondary prescaler (74HC393) in front of the AVR to expand input frequency range to cover both frequency ranges. The 8-bit Timer 0 is used to measure the frequency but overflow is also counted to measure 28-bit resolution.
The gate signal is generated by 16-bit timer/counter 1 as a PWM signal, 200 ms high duration and 1 ms low duration. An interrupt is generated on gate signal turns low and read the counter value. The increment from previous time multiplyed by 5 is the measured frequency. When 1/64 prescaler is being used, it also be multiplyed by 64. The frequency captured every 200 ms is displayed into the LCD with only upper five digits. The five digits is a suffcient resolution for the dip meter.
The rectified oscillation level is captured by A-D converter built in the AVR with 1.1V internal reference voltage. The display is refreshed 30 times per second but it is captured 1000 times per second to avoid to miss a narrow dip. Only upper half in the conversion range is displayed into the LCD to magnify the variations.

Analog pointers are displayed with user defined characters. The reason why is it drawn with slant edge is from the limitation of the character LCD. The width of character is 5 dots and a dot space is exist between the characters and therefore the variations on the blinded points cannot be recognized. The slant edge crosses over the blinded point and the variation can be recognized.
The number of points of the analog display becomes 6 x number of columns but the resolution can also be improved with slant edge that like shown in Figure 8. In this project, right half of the display area, 8 columns, is used and the resolution about 130 points in full scale is achieved. It is not less resolution than small galvanometers.
The motion of the pointer may be difficult to be followed because the character LCD is slow in optical response so that negative peak (notch) is held for 500 ms like audio level meter to make easy to find the dip point. This is a unique feature of the digital processing.
Battery voltage is also captured by A-D converter and displayed it to the LCD display. The current consumption including plug-in module becomes approximately 60 mA but it depends on plug-ins.
| Oscillator | Coil | Frequency band |
|---|---|---|
| MF/HF | A w/core | 230kHz - 1.5MHz |
| A wo/core | 650kHz - 3.5MHz | |
| B | 2.5MHz - 13.6MHz | |
| C | 5.5MHz - 29MHz | |
| VHF | C | 19.5MHz - 45MHz |
| D | 35MHz - 80MHz | |
| E | 60MHz - 135MHz | |
| F | 125MHz - 275MHz | |
| UHF1 | - | 720MHz - 1GHz |
| UHF2 | - | 500MHz - 700MHz |
| UHF3 | - | 370MHz - 500MHz |
Oscillation frequency ranges became as shown in Table 1. The maximum oscillation frequency has been reached 1 GHz but there are some dead bands left. Especially it is hard to cover a wide range in UHF band due to some reasones: the capacitance ratio of UHF varactor diodes are small, parasitic capacitance also reduces the frequency ratio and coils cannot be replaced.
The sensitivity is the most impotant performance of the dip meter. There are some differnce between each module but all is enough high that I expcted.
