The thermocouple is a kind of the temperature sensors. It is inexpensive and the measureing range is very wide compared to thermisters or temperature sensor ICs. However because the output voltage is small and relativistic, the thermocouple measureing circuit is complex due to requirement of high precision amplifire and proper compensation circuit. There are some thermocouple interface ICs that integrates the analog signal prosessing circuit. I built a pocket sized thermocouple temperature meter with it.
When apply a temperature gradient to a conductor like shown in Figure 1, a potential difference appears between hot part and the cold part. This is called Seebeck effect. The thermocouple is a temperature sensor based on this effect. This potential difference cannot be measured directly because it is canceled by the potential difference that also appears at the material of measurement circuit. However the degree of potential difference generated by the temperature gradient varies from type of materials, so that the difference of these potential differences can be detected by a combination of different type of metals that shown in Figure 2. The EMF by the Seebeck effect is called thermoelectric EMF. It increases with different of temperatures between the two junctions and well proportional to the temperature.
There are some type of combination of materials (pure metal or alloy) as industry standard for temperature sensor. The K-type (chromel - alumel) thermocouple is the commonly used for generic industrial measurement. The output voltage of the K-type thermocouple is approximately 40 μV per degree C, so that a low input offset voltage amplifire is required at front end of the measurement circuit.
The thermoelectric EMF indicates the temperature difference between hot junction and the cold junction. This means the temperature at the cold junction must be known to calcurate the real temperature at the hot junction. This is done like shown in Figure 3, and it is called cold junction compensation. Note that the hot junction is the junction being measured and the cold junction is the input connections of the instrument. Hot junction is not that always hotter than cold junction.
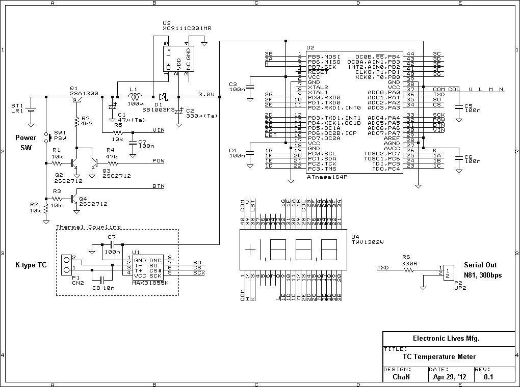
To get temperature value from output of a thermocouple, certain analog circuit technology, sugh as high precision amplifier and cold junciton compensation circuit, had been required. However some type of thermocouple interface ICs are available now. It integrates the functions mentioned above on the chip, and everybody will able to use the thermocouple with ease. I chose MAX31855 thermocouple interface IC from Maxim. It integrates analog circuit and even the A-D converter, and outputs the temperature value in digital data. You must determine the thermocouple type before ordering because there are different part numbers depends on the thermocouple type.

The cold junction compensation is done with on-chip temperature sensor, so that the MAX31855 and cold junction (input connector) must be thermal coupled. If there is a temperature difference between the two, it will result an measureing error. To minimize the measureing error at cold junction compensation, MAX31855 should be mounted near the connector as possible, and keep the heating devices away from the cold junction. Photo 1 shows the miniature plug that often used for easy connection of thermocouples. However the miniature socket is not found at online shops, so that I built the socket on the board show in Photo 2. The miniature connector must not that be required for the thermocouples. Many type of terminal block can also be used instead.

Because it is powered by a battery, an LCD display must be used to reduce the power consumption. The character LCD modules are usually used for elctronics handiworks, however it is not suitable for meter display. While the meter display requires a suffcient size of character for good visibility, the character display modules do not meet the requirement. I used a segment LCD panel showin in Photo 4 that used in digital meters for temperature display. It has no LCD glass driver, so that it requires any external LCD driver. The LCD panel used in this project is a static driven LCD glass. This type of LCD glass can be driven in two-level wave form generated by MCU's GPIO port. The driving voltage is specified for each type of module. The TWV1302W used in this project is for 3V drive. When use a 5V LCD glass, it requires a charge pump circuit to generate a sufficient voltage swing.
A serial data output port is added for temperature logging. It can be directly attached to PC's serial port but it is recommended to isolate with a optical isolter.
The temperature meter is powered by an LR1 cell with step-up DC-DC converter. The input current is approx. 4mA at 1.5V. The estimated battery life time is at least 100 hours.
The function of the firmware is quite simple. It reads the temperature data from MAX31855 in interval of 0.5 second and display it to the LCD panel. The LCD panel is driven by background process. The temperature value also be transmitted as serial data (N81, 300bps).
