先日、雑談ボードでちょっと話しに出たCPU温度計というものをカタチにしてみようというということでやってみました。要は CPUの温度を測ってケースのクロック表示窓に表示しようというものです。CPUの発熱を気にしている人って、けっこういるもんですねぇ(^_^;。で、右の写真が温度計が動作している状態です。
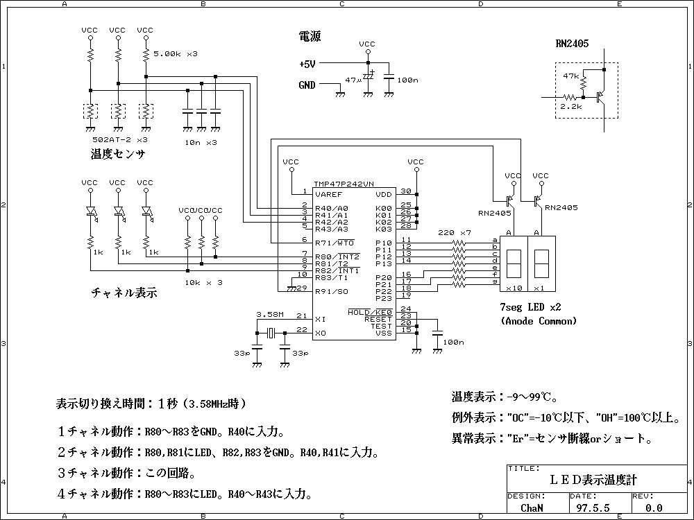
まず、組み込む場所はフロントパネルのクロック表示窓とします。このクロック表示窓は最近はほとんど意味の無いものとなっていますのでちょうど良いところです。フロントパネルの裏側に組み込むわけですから、相応のサイズでなければなりません。5cm四方以下を目標としましょう。測温範囲は常温から 100℃程度までとします。温度表示は大雑把でいいわけですから、1℃ステップ表示で絶対精度は±1℃程度として無調整化を図ります。また、発熱の気になる物は CPUだけではないので、複数のポイントの温度を測れるようにします。ということで、最終的に次のような仕様としました。
| 測温範囲 | -9℃〜+99℃ |
| チャネル数 | 最大4チャネル |
| 確度 | 常温において±1℃(分解能1℃) |
| 表示器 | 7セグメントLED2桁(各チャネルを時分割表示) |
| 温度センサ | 高精度サーミスタ |
| 電源 | +5V, 100mA(M/Bにコネクタを付けて引き出し) |
| 製作費 | \1,500以下(貧乏モード(^_^;) |
CPUのヒートシンクに取り付けたサーミスタ。フィンの隙間に入れてエポキシで固定します。サーミスタとの接続には直接はんだ付けせずに、ソケットを付けておくと後のメンテナンスが楽になります。
