最近のデジタルビデオ機器は色差コンポーネント映像出力(Y/Cb/Cr)を持つものが増えてきました。コンポーネント信号はRGB信号に近いものですが、RGB入力の機器には直接接続できません。そこで、古いRGB入力のモニタを有効活用するべく、コンポーネント信号をRGB信号に変換するコンバータを製作してみました。
古いRGBモニタ....というより、PS2のコンポーネント映像出力をスキャンコンバータのRGB入力チャネルに入れて、きれいな画面でゲームソフトやDVDソフトを楽しみTai!というのが主な目的だったりしますが。まぁ、PS2はジャンパ1本でRGB出力に固定できるので、単にRGB信号を得るのが目的ならそっちの方が手軽ですけどね:-)
まず、色差コンポーネント信号は、次の式に示すようにRGB信号から輝度成分と色成分を分離することにより得られます。
Y = 0.299R + 0.587G + 0.114B 輝度成分(RGB各チャネルの比視感度を適用したもの)
B-Y = B - (0.299R + 0.587G + 0.114B)
= -0.299R - 0.587G + 0.886B 色差成分(青)
R-Y = R - (0.299R + 0.587G + 0.114B)
= 0.701R - 0.587G - 0.114B 色差成分(赤)
変換係数はSDTV(525line)とHDTV(750line,1120line)とで異なり、この係数はSDTV用です。もうひとつG-Yという色差信号も生成できますが、2つの色差信号からもう一つが算出できるので、含まれる色成分の少ないG-Yが省かれています。色差コンポーネント信号をRGB信号に戻すには、
R = Y + (R-Y) G = Y - 0.51(R-Y) - 0.186(B-Y) B = Y + (B-Y)
となります。このように R/G/B − Y/(B-Y)/(R-Y)変換は情報損失の無い可逆変換であることが分かります。実際にはビデオ信号の帯域を少しでも抑えるため、人間の目が色成分に鈍感なのを利用して、色成分は記録・伝送される際にダウンサンプリングや帯域制限、直交2軸変調などなどいろいろな帯域圧縮処理が加えられています。このため、Y,B-Y,R-Y−RGB変換しても元のRGBには戻りません。
色差コンポーネント映像信号を構成するのは、基本的にこれら Y、R-Y、B-Yの3つの信号ですが、伝送・記録時はそれぞれの信号の最大振幅を正規化するため、
Cb = 0.564(B-Y) Cr = 0.713(R-Y)
のように色差信号に係数がかけられます。これは、アナログ信号の振幅や、デジタルデータの値の範囲を揃えて扱いやすくするのが理由です。NTSCなどでも別の理由で色差信号が調整されています。同期信号は、輝度信号に-0.3Vで重畳されます。これでお馴染みのコンポーネント映像信号(Y/Cb/Cr)となります。機器入出力の端子電圧は、Y信号が -0.3V〜+0.7V、CrとCbがそれぞれ±0.35Vとなるのが普通です。
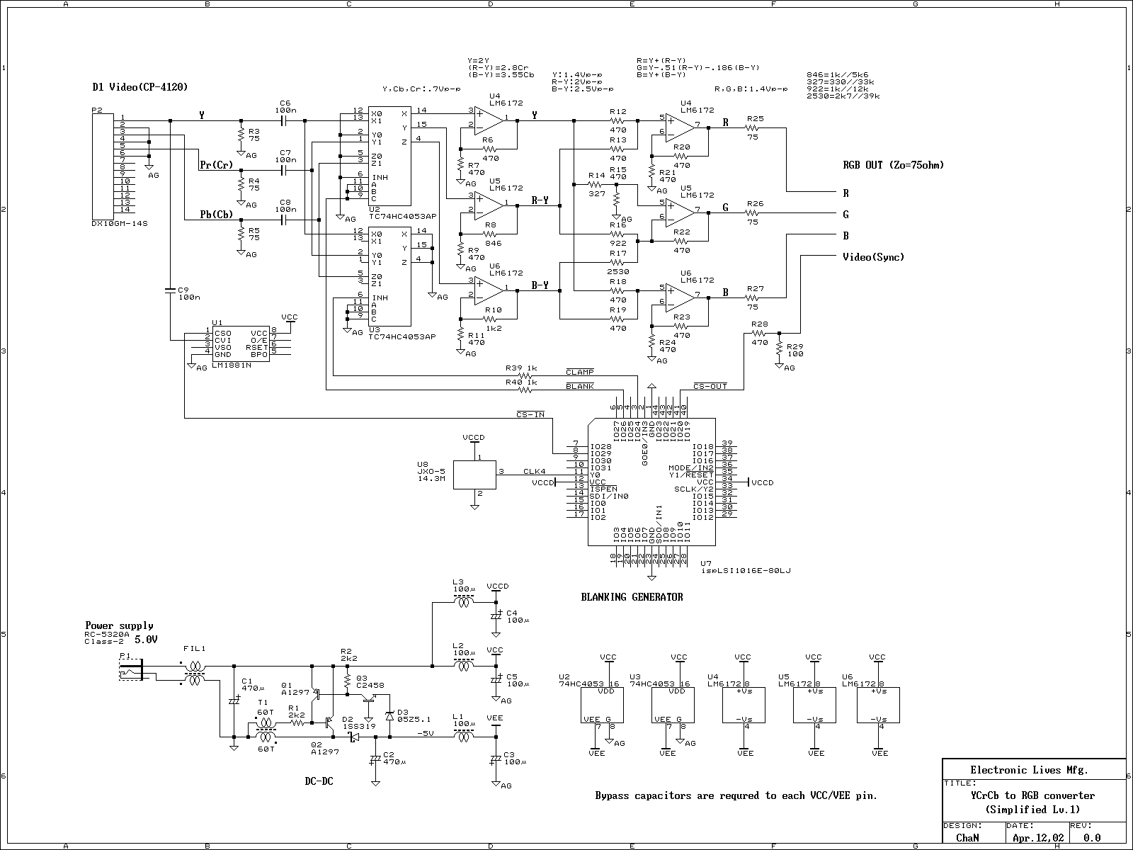
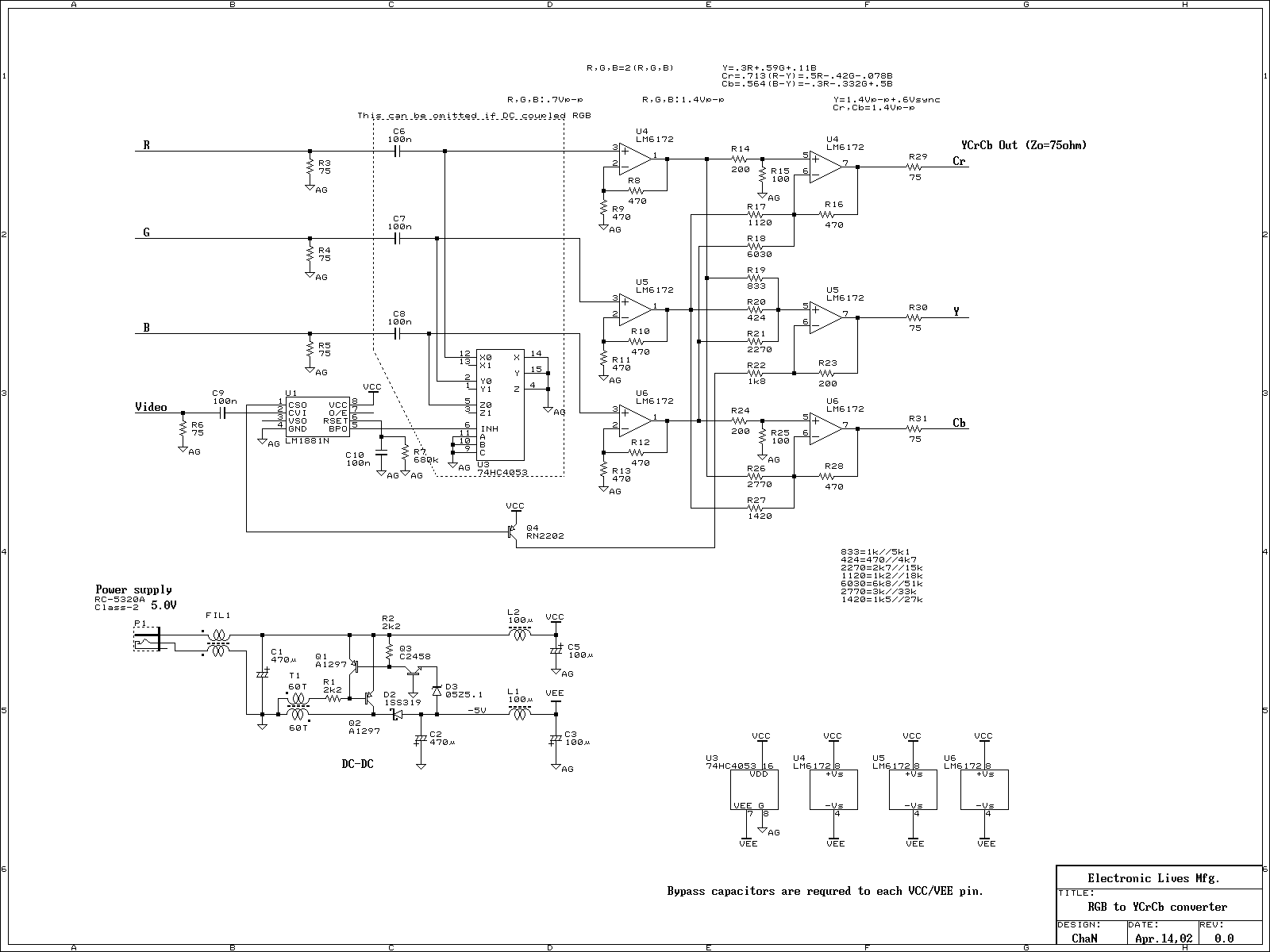
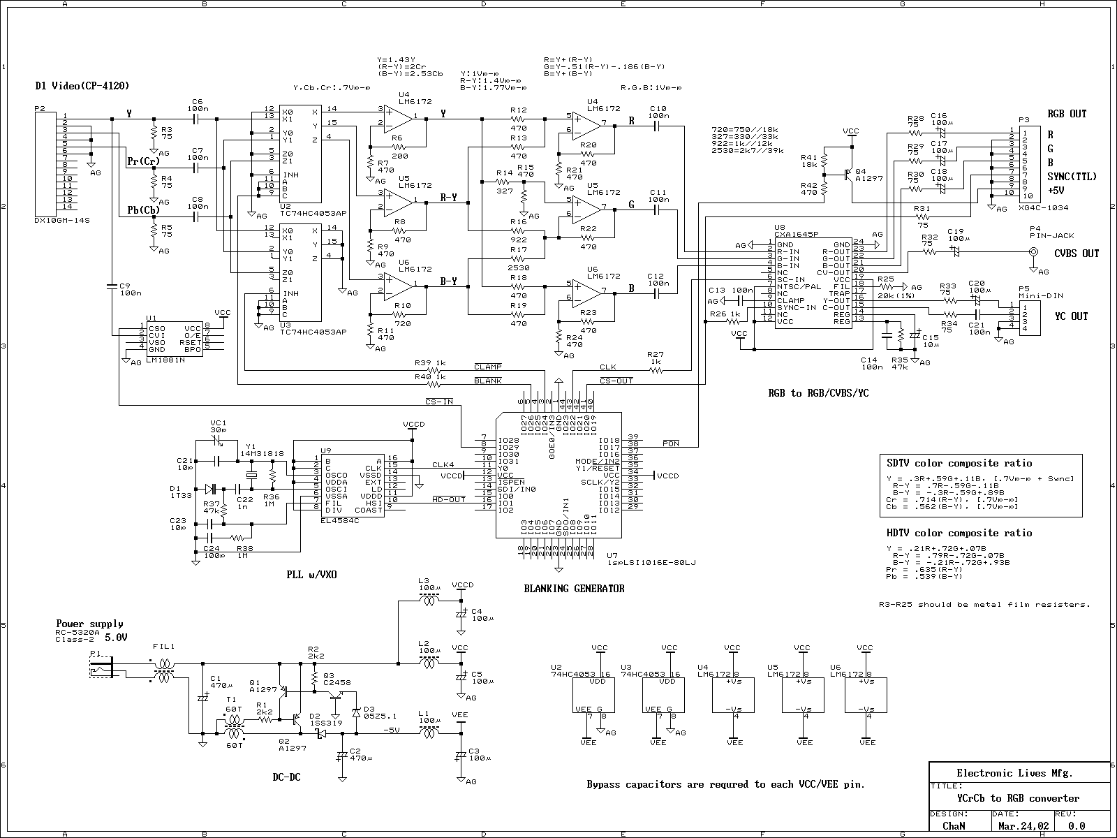
コンポーネント信号からRGB信号への変換は、OPアンプ回路のマトリックスを通して上で示す変換式をそのまま適用することによって行います。ただ、それだけでは不十分で、周辺回路も少々必要になってきます。
まず、ビデオ出力端子は高級機を除いてAC結合が普通なので、受け側でDC再生する必要があります。Y信号に重畳された同期信号を取り除くためブランキング処理も必要です。これらの処理回路やその動作タイミングを生成する回路も必要になってくるのです。タイミングパルスの生成はめんどいので、PLDで片づけてしまいました。下のIMGに生成されたブランキングパルスとクランプパルスを示します。上から順に、Y入力、BLANK、CLAMPで、左が水平ブランキング付近、右が垂直ブランキング付近です。

今回はRGB出力だけではなく、NTSC出力(YCとCVBS)も同時に得られるようにしました。NTSCエンコーダのために3.58MHzが必要になりますが、ラインロックしたクロック(227.5fH)でなければならないので、マスタークロックはPLLで生成しなければなりません。入力ビデオ信号に同期しない3.58MHzだとスペクトラムインターリーブが崩れて、干渉が出て汚い画像になってしまいます。なお、NTSC出力が不要な場合は参考回路2でよいので、PLLやビデオエンコーダは不要です。
特に入手しにくい部品は使っていないので、秋葉を一巡すれば揃うものばかりです。OPアンプは50MHz以上の電圧帰還アンプの多くで代替できます。
コンポーネント信号とYC信号の違いは、色差信号の伝送方法です。YC信号の場合、2つの色差信号で色副搬送波に直交平衡変調をかけて1本の信号線で伝送するので、伝送可能な色差信号の帯域は色副搬送波周波数の半分程度(1.5MHz)までです。NTSC方式では正式にはI,Q軸(R-Y,B-Y軸から33°回った)の色差信号でI軸を1.5Mz、Q軸を0.5MHzの帯域で扱っています。受信側では簡略化のため R-Y,B-Y軸で復調されて共に0.5MHzの帯域で処理されるのが多いようですが。
これに対し、コンポーネント信号では2つの色差信号をそのまま2本の信号線で伝送するので、フル帯域での伝送です。TVゲームのコンポーネント出力のように単にRGBから変換しただけ(RGB−YUV変換は原理的に信号の劣化が無い)のものなら、次の例に示すようにYC信号との違いが顕著に現れるので、コンポーネント出力を使うのが吉です。
左がコンポーネント信号、右がY/C信号。Y/C信号の場合、細かい文字で色がにじんでいるのが分かる。
左がコンポーネント信号、右がYC信号。髪の毛の先端と隙間の肌色に注目。色差信号の帯域が狭いと、色相の異なる色が入り組んだ部分で色が混じってしまう。
ソースがDVDの場合は、記録されている元々のデータが4:2:0サンプリング(色差信号の解像度は水平/垂直方向ともに輝度信号の半分)と、既にかなり帯域制限されているので、CG編集のアニメ等ならともかく、自然画像ではY/C信号と比べても大した違いは見られません。DVDに限ってはY/C信号で十分といえるでしょう。でも、デジタル放送などの525i以外の信号はYC信号で伝送できないので、これらの場合はコンポーネント信号のメリットがないわけではありません。
