THIS PROJECT HAS RISK OF SHOCK!
Stroboscope is a kind of lighting device. It drives a flash lamp [ja] at an adjustable flash rate. It is used mainly to light a moving object and can get some type of special lighting effects. For example, at the photography, a moving object lit by stroboscope creates a multiple exposed image that the positions of the object at the instant of each flash are combined into an image. It is used to analyze the motion of the moving object. The another use of the stroboscope is for Stroboscope effect. When a rotating or vibrating object is lit by the stroboscope at proper flash rate, the object can be watched with the motion frozen or forward/reverse the motion slowly. Also the frequency of the motion can be calculated from the flash rate. Stroboscope is not only used for engineering but also used for the entertainment industry.
I built a similar project [ja] in the past. In this project, it is designed under consideration of re-productivity and general uses.
It has two operating modes. One is the periodic flash mode as the basic operation of stroboscole. The other is external triggered mode with variable delay. It is needed some type of photography and observation.
Nowadays high power LED is used for generic lightings but it still cannot replace xenon flash lamp because of its very low energy density of a flash. This project uses a U-shape xenon flash lamp as light source. This type of flash lamp is widely used for hobby projects and easy to obtain. The typical ratings seems to be 250-350 volts of anode voltage and 4-5 watts of power dissipation.
DC 9-12 volts is used as power input. The power consumption is estimated several watts, so that a small wall adapter or battery can be used.
Because the lamp housing and drive circuit is not that large, these two parts can be built in an case (MB-3 aluminum case from Takachi). In addition of rubber feet, a shoe mount is attached on bottom of the case to fix it on the tripod.
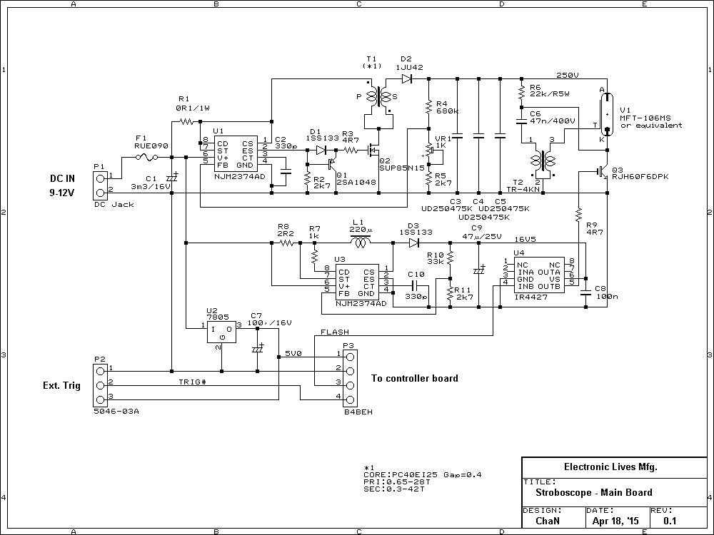
Right image shows the driver board and schematic. A 250 volts of anode voltage is generated by a DC-DC converter. The flash energy per flash becomes approx. 0.5 joule at full discharge. However the flash rate cannot exceed 10 fps due to limitation of maximum power dissipation. The flash energy needs to be controlled at high fps. In early days controlling the high discharge current was difficult if once the flash lamp starts to discahrge. Now it is easy to control with an IGBT. Interface connectors for power supply and external trigger input are mounted on the board directly to eliminate wirings to the case.
Xenon flash lamp is mounted on the board and the light is radiated through a window opened at front of the case. To guide the non-directional radiation from the lamp for outside of the case, a high efficiency reflective sheet MCPET is used. The window glass is ommitted to ventilate heat of the lamp, so that there is a risk of shock or burn if a finger touched flash lamp :-)
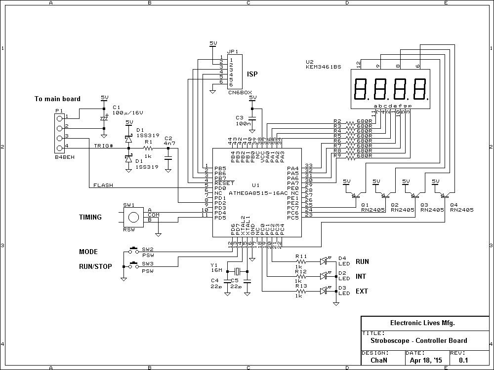
Right image shows the built control board and schematic. An AVR microrcontroller is used because of 5 volts power supply voltage. I planed to use an easy to use CLCD at first but I changed it to 7-segment LED later because I had not a CLCD with backlight and visibility of CLCD is not good for numerical display.
There is no difficulty to control the system. The only output sinal is the driving pulse of IGBT. The pulse width is adjusted depends on the elapsed time from previous flash to limit the output power at a value.
Unfortunately the resolutin of integrated timer of AVR is only 16-bit. It is not enough resolution to generate 1 second time, so that 16 MHz system clock must be divied down to 1/256. As the result the time resolution becomes 16 μs. It is not the problem in this project but I want a 32-bit timer for AVR devices if possible.
In this mode, it flashes a constant period. The flash rate can be set from 1 Hz to 100 Hz in resolution of 0.1 Hz.
In this mode, it flashes after a preset time from rising edge of external trigger input. The delay time can be set from 0 ms to 1000 msec in resolution of 100μs.
The preset values are stored into the EEPROM. It is written 3 seconds after any change to expnad life time of EEPROM.
