The typical stroboscope descrived latery lights the object with a flash lamp and the instant of each interval of the movement can be observed. However the stroboscope has a disadvantage that it cannot work at light environment. It can work at only dark environment, such as darkroom, outdoors at night and any place with less environment light. If the object to be observed is changes of lights, also the observation of the light with lighting is physically impossible. To solve these problems, the movement of the objects can be observed through an optical shutter that works in constant intervals instead of a flash lamp. You may have seen the effect appeared on the movie that come from this theory, such as wagon-wheel effect and slow flicker of fluorescent lamp.
First of all, the optical shutter needs to work at rate of 100 cycles per a second or higher with an accurate interval. The rotary shutter is suitable for such use. Right image shows the basic construction of the rotary shutter. It consists of a rotating disk (shutter disk) with one or more apertures and a fixed aperture placed near the shutter disk. The shutter opens each time when the aperture on the shutter disk comes on the fixed aperture by rotation of the disk. The smaller aperture gives the faster shutter speed and clear image with less motion blur. But it cannot be too small because the viewing angle gets narrow and the image gets darken. The shutter time in this project is 1/80 of shutter interval. The shutter time might be thought that too small but the image is not so dark as expected. I think this is due to the light sensitivity of human eyes is in logarithmic (at about 0.3 of gamma) to the light intensity.
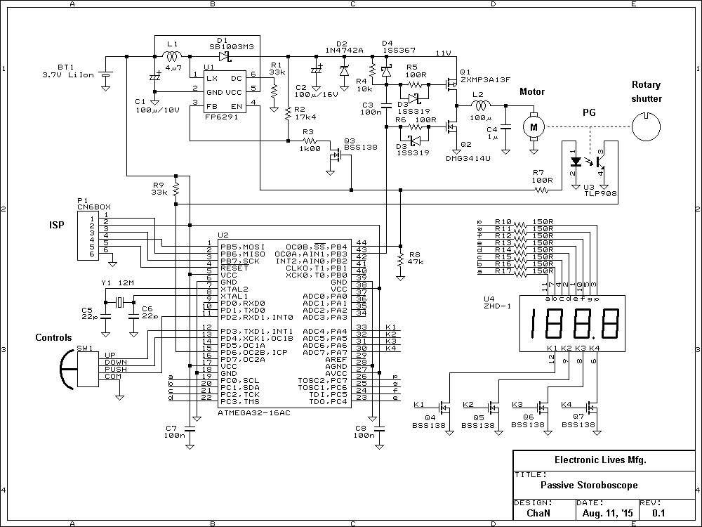
Right image shows the built sutter disk. Because the rotary shutter needs to rotate the shutter disk at constant rate, it is controlled to the commanded rate with a servomechanism. The drive motor used in this project is a spindle motor for CD players that often found at junk market. The shutter disk is attached to the motor shaft and driven directly. The heavy material is suitable for the shutter disk because stability of rotation increases as the inertia. As shown in the schematic, the disk ratation is detected with an optical encoder (photo-reflector and reflective tapes put on the disk).
The power supply to drive the spindle motor is generated with a step-up DC-DC converter and a 3.7V Li-Ion cell. The motor is driven by a half-bridge driver, so that it can be driven symmetrically in a certain range and it can get a quick response. The zener diode at the motor driver is to discharge the regenerated energy, however, it can be ommited because the rotation speed is not changed quickly like a step profile at normal operation (Short brake at shutdown will not regenerate).
The most important function of the software is the servo control of the disk rotation speed (shutter rate). Right image shows the processing diagram of the servo operation implemented in this project. The response of rotation speed to the applied torque can be thought as a first-order step response model, and it shouled able to be controlled in a simple on/off method (infinite P-gain). But such contorl is very unstable and easily oscillate because there are some hidden delay factors in the loop, such as control interval and measurement of rotation speed. Thus I implemented a simple P-I control for the servo conrtols. The servo controls are done by a background task driven in an interval timer at 50 times per second. To simplify the motor driver circuit, the torque command to the motor is controlled in only feed-forward compensation by estimating the back-EMF of the motor instead of using a current sensing circuit. The voltage applied to the motor is output wit a PWM driver, however, the 8-bit of PWM resolution is not fine enough for stable operation. To solve this issue, higher output resolution is secured in dithering method at 10 times faster than control interval.
To get an accurate rotation speed at low pulse rate (8 pulses per a rotation) at every control intervals, it is measured in reciprocal counting. But the reciprocal counting has a disadvantage of significant measurement error caused by small jitter of input pulses. At the first test, I found an unstability of rotation speed at low speed setting and adding D-control did not solve it. After some debugging, I found the factor of unstability is due to the measurement error caused by a slight position error of reflectors and I put the reflectors on the shutter disk again carefully. For such case, any hand work should be avoided by using any ohter method to make marks on the shutter disk.
The UI controls are processed by foreground task. Up/Down input of joystick changes the shutter rate in range from 5 to 180 sutters/sec. Resolution of the shutter rate is 0.1 sutters/sec but up/down rate is accelerated in two stages to change the value quickly. Center input of joystick controls the power. Battery voltage is monitored while an operation. When battery voltage gets lower than 3.7 volts, it shuts down power to protect the Li-Ion cell.
