TV、VTR、LDなどのビデオ信号をVGAモニタに映すためのスキャンコンバーター(同期周波数変換装置)です。机の上を占領しているVGAモニタをTVモニタとしても使えたら省スペースなるだろうというのは誰でも考えていることと思います。そこで、それをやってみようということで製作してみました。これを製作したのは 1995年頃ですが、当時はこのようなスキャンコンバータは市販品にはありませんでした(逆はあったのですが)。2〜3年経ってやっと出てきました。右の写真は、このスキャンコンバータを使用して TVの画面を NANAO T560iJに表示しているものです。このモニタは 2入力で切り替えが楽なので、現在はいつもこれで TVを見ています。
まず、TVと VGAの同期周波数の違いは表1に示す通りで、違うのは水平同期周波数のみで、しかもちょうど 2倍となっています。水平同期周波数だけ倍にすれば良いのですから、変換は容易で回路もきわめて単純で済みます(垂直周波数が違うと、フレームメモリが必要で回路も複雑になる)。
また、倍速変換により走査線の密度も倍になるので、近くで見ても走査線がほとんど目立たないようになり、きめの細かい映像となります。一部のテレビ受像器には、プログレッシブスキャンとか言ってこれと同じ機能を内蔵しているものもあります。
| ビデオ信号 | 水平周波数 | 垂直周波数 |
|---|---|---|
| NTSC | 15.734kHz | 59.94Hz |
| VGA | 31.469kHz | 59.94Hz |
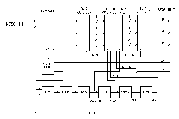
図1は、このスキャンコンバータのブロック図です。信号の流れとしては、まず NTSC信号をデコードして RGB信号とします。RGB信号は A/D変換されてラインメモリに書き込まれます。そしてラインメモリのデータを書き込みの倍の速度で読み出して出力します。つまり、1ラインを書き込む間に2回読み出すことになり、水平周波数が倍になるというわけです。この入出力データの時間軸の関係を図2に示します。
データの読み書きのタイミングクロックは、ビデオ入力から抽出した水平同期信号を元に PLLで生成しています。ラインメモリの長さは 910バイトなので、これに合わせて書き込みタイミングに水平周波数の 910倍のクロックが必要です。読み出しはその倍速なので、1820倍のクロックも必要です。


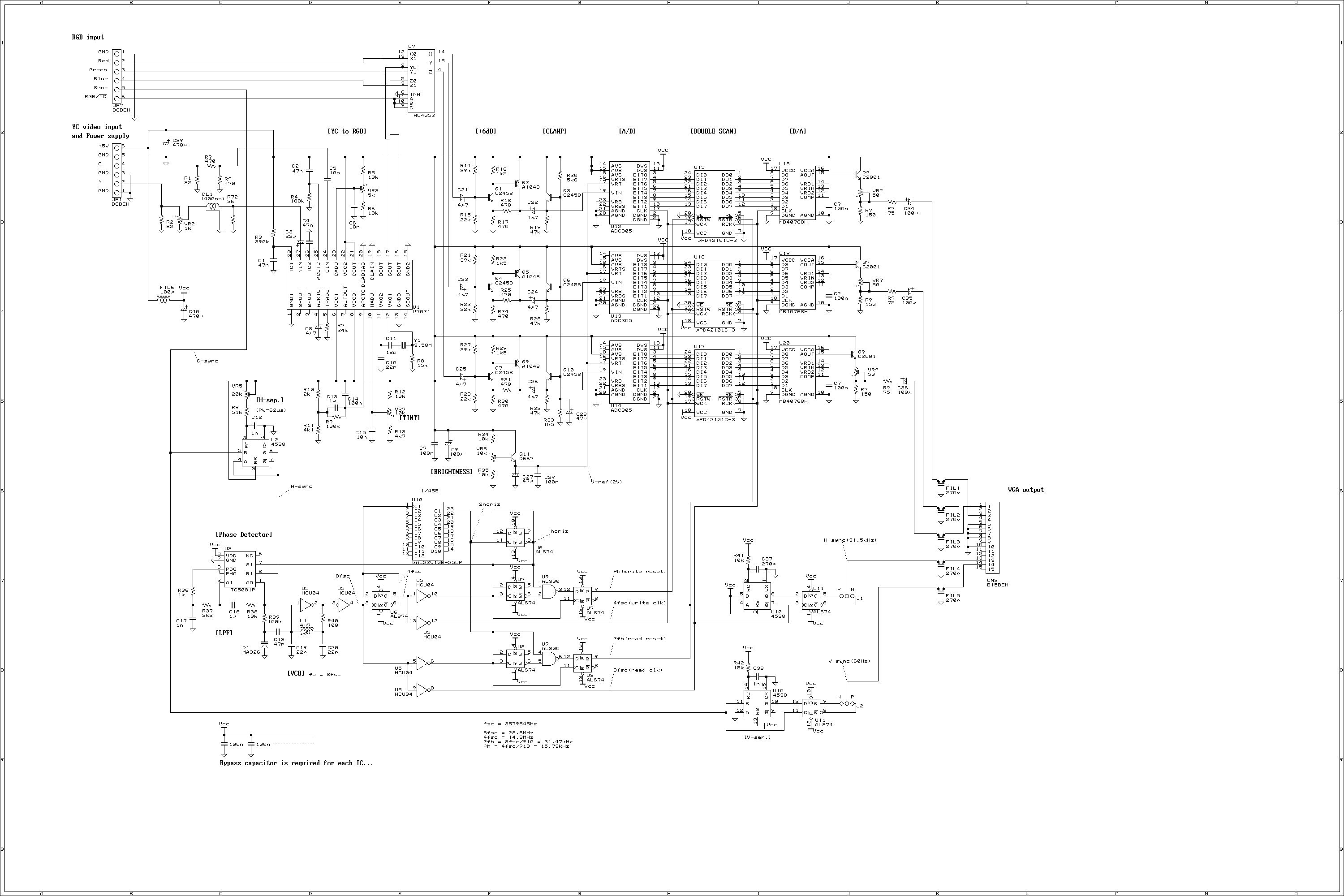
回路図をご覧になると分かると思いますが、製作のポイントは、アナログ系とディジタル系の分離です。高速アナログ信号と高速ディジタル信号が同居していますので、そのへんをしっかりやる必要があるでしょう。特に PLLの安定動作は重要です。これさえ安定してロックするように調整すれば、それ以外を適当に調整して完成です。PLLがちゃんと動作してくれないと使い物になりません。
この回路は、再現性にやや難があるかもしれません。ビデオ入力部のディレーライン以外は秋葉で入手したものですが、現在は在庫していないかもしれません。ディレーラインは古いTVやVTRをバラせば GETできます(それ以外入手のしようが無いですが(^^;)。まぁ、このレポートは自分の都合に合わせて回路を変形して利用できるような方を対象にしましたので、製作例を示すに留めておきます。
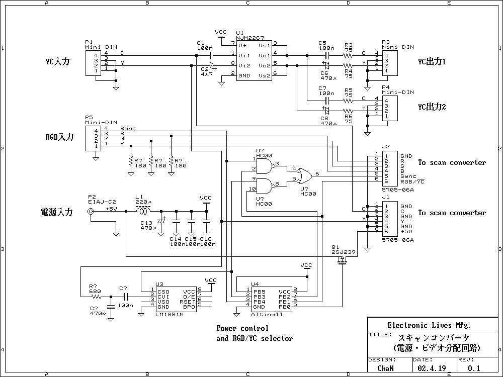
今回レポートを更新したのは、スキャンコンバータの回路を少々変更したことと、ビデオ分配機能を追加したためです。それまでは、基板を裸のまま本箱の裏に固定して使っていました(^^;。
右の IMGで示すように、スキャンコンバータをケースに組み込んで、更にビデオ3分配回路を追加しました。分配回路は電源制御も兼ねていて、ビデオ信号で電源をON/OFFするようになっています(だから電源SWはありません)。VTRの電源を入れるだけでスキャンコンバータが作動して、モニタに VGA信号が入りモニタが ONになる……という感じで連鎖反応的に電源が入るのでなかなか便利です。
スキャンコンバータ基板の変更点でいちばん大きかったのは、A-Dコンバータの交換です。製作時は手持ちの 6bit ADC(μPD6951C)を使ったのですが、去年の夏頃に1個壊れてしまいました。で、同じのを買おうと思ったら既に廃品種で入手不可(^^;。仕方ないので、デイテルの 8bit ADC (ADC305)に全部置き換えました。さすがに計測用ADCだけあって画質いいですね(雨降って地固まるかな(^^))。
また、PLLの 1/455分周器の TC9122Pを GALに置き換えました。実は TC9122Pで 14.3MHzの分周は不可だったんですね。毎年冬になると電源を入れて暖まるまで PLLがロックしないという症状が出ていたのですが、TC9122Pが怪しいので交換してもやっぱり同じ。で、データシートをよーく見たら、fmax 15MHzというのは、Vcc=7.5Vのときだそうで(笑)。つまりVcc=5Vでは実力値ギリギリというわけでした。
DACを電流加算式のディスクリート(6bit)から、ちゃんとしたモノリシックDAC(8bit)に交換。マッハバンド消えました(^^;。
コンポーネント−RGBコンバータの製作に伴い、RGB入力チャネルを追加。YC入力とRGB入力は有効入力のある方へ自動切り替えです。その他、PLLの動作安定性向上やディレーラインの反射低減のため回路定数の見直しなど。/p>
